Qorvo QPB8857 75Ω 28dB CATV Doubler Amplifiers
Qorvo QPB8857 75Ω 28dB CATV Doubler Amplifiers offer low noise and low distortion at high efficiency. The QPB8857 supports DOCSIS 3.1 applications up to 1218MHz using a single 24V supply. Qorvo QPB8857 75Ω 28dB CATV Doubler Amplifiers provide a compact size and low Θjc integration, making it ideal for hybrid module applications.Features
- High gain (28dB @ 1218MHz)
- Adjustable bias
- 47MHz - 1218MHz BW
- 57dBmV/ch virtual 1.2GHz, at 19dB tilt
- Low noise (4.5dB)
- Excellent composite distortion
- pHEMT/MESFET device technologies
- Compact size (40P 5x7 QFN)
- Power consumption (24V, 440mA–10.5W)
Applications
- DOCSIS 3.1
- Broadband CATV hybrid modules
- Headend CMTS equipment
- 75Ω amplifiers
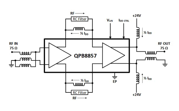
Block Diagram
Yayınlandı: 2018-09-14
| Güncellenmiş: 2023-01-31
