Renesas Electronics ISL8117 Synchronous Step-down PWM Controllers
Renesas Electronics ISL8117 Synchronous Step-down PWM Controllers are synchronous buck controllers used to generate POL voltage rails and bias voltage rails for a wide variety of applications in industrial and general-purpose segments. The wide input and output voltage ranges of the ISL8117 PWM Controllers make them suitable for telecommunication and after-market automotive applications. These devices use the valley current modulation technique to bring hassle-free power supply design with a minimal number of components and complete protection from unwanted events. The ISL8117 PWM Controllers offer programmable soft-start and enable functions along with a power-good indicator for ease of supply rail sequencing and other housekeeping requirements.The Renesas Electronics ISL8117 Synchronous Step-down PWM Controllers are available in a space-conscious 4mm x 4mm QFN-16 and an easy to assemble 6.4mm x 5mm HTSSOP-16 package. Both package options feature an exposed pad to improve thermal dissipation and noise immunity.
Features
- Wide 4.5V to 60V input voltage range
- Wide 0.6V to 54V output voltage range
- Light-load efficiency enhancement
- Low ripple diode emulation mode with pulse skipping
- Programmable soft-start
- Supports pre-biased output with SR soft-start
- 100kHz to 2MHz programmable frequency range
- External sync
- PGOOD indicator
- Forced PWM
- Adaptive shoot-through protection
- No external current sense resistor
- Use lower MOSFET RDS(ON)
- Complete protection
- Overcurrent, overvoltage, over-temperature, undervoltage
- Package options
- 4mm x 4mm QFN-16
- 6.4mm x 5mm HTSSOP-16
- Pb-free and RoHS compliant
Applications
- PLC and factory automation
- Amusement machines
- Security surveillance
- Server and data centers
- Switcher and routers
- Telecom and datacom
- LED panels
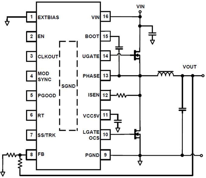
Typical Application Circuit
Yayınlandı: 2015-06-10
| Güncellenmiş: 2022-03-11
