Richtek RT6190 4-Switch Buck-Boost Controller
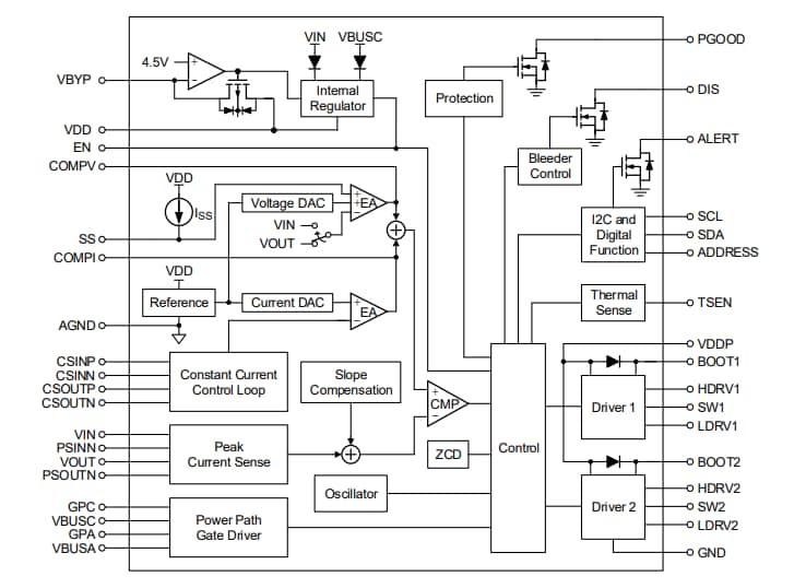
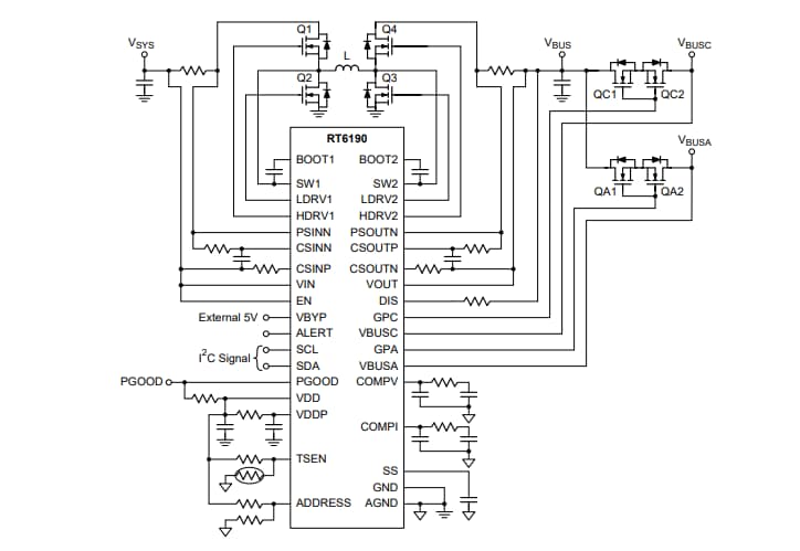
Richtek RT6190 4-Switch Bidirectional Buck-Boost Controller is intended for USB power delivery (USB PD). The device operates with a 4.5V to 36V wide input voltage range, and the output voltage can be programmable between 3V and 36V. The RT6190 enables a peak current mode control mechanism with the programmable constant voltage (CV) and constant current (CC) output to support USB-PD 3.0 SPR mode and 3.1 EPR mode. Furthermore, the RT6190 also features built-in charge pumps for driving external low-cost N-MOSFETs to control the power path. With an I2C-compatible interface, the RT6190 facilitates many programmable functions, including CV/CC output, switching frequency, and cable voltage drop compensation. Moreover, the RT6190 integrates complete protection options such as input UVLO, over/under voltage protection, cycle-by-cycle current limit, short circuit protection, and over-temperature protection.The Richtek RT6190 is housed in a WQFN-40L 5x5 package.
Features
- Support USB-PD 3.0 SPR mode and 3.1 EPR mode
- Integrated buck-boost controller:
- Wide 4.5V to 36V input voltage range
- Wide 3V to 36V output voltage range
- Peak current mode control
- Programmable switching frequency (250kHz to 1MHz)
- Power saving mode enables higher light load efficiency
- AnyPower™ for constant voltage (12.5mV/step, typical) and constant current (in 9-Bit resolution) output settings
- Embedded 2nd OCP function
- Bi-directional power delivery for forward operation and reverse operation
- I2C compatible interface
- Adjustable soft-start time
- Programmable cable voltage drop compensation
- Built-in bleeders for quick VBUS discharge
- Power good indicator
- Fully protected with UVLO, OVP, UVP, OCP, cycle-by-cycle current limit, and OTP
- WQFN-40L 5x5 package
Applications
- Monitors
- USB Power delivery
- Power banks
Simplified Application Circuit
Functional Block Diagram
Videos
Yayınlandı: 2023-06-30
| Güncellenmiş: 2023-08-04
