ROHM Semiconductor BDx0C0AFPS 1A Fixed Output LDO Regulators
ROHM Semiconductor BDx0C0AFPS 1A Fixed Output LDO Regulators are designed as low saturation regulators that guarantee long-time support in the industrial market. These ICs have built-in overcurrent protection to protect the device when output is shorted and a thermal shutdown circuit to protect the device during overload conditions. The BDx0C0AFPS 1A fixed output LDO regulators operate at -40°C to 105°C temperature range and are available in the TO25S-3 package. Typical applications include audiovisual equipment, FPDs, televisions, personal computers, industrial equipment, and other consumer devices.Features
- Long time support product for industrial applications
- Low saturation with PDMOS output
- Built-in over-current protection circuit that prevents the destruction of the IC due to output short circuits
- Built-in thermal shutdown circuit for protecting the IC from thermal damage due to overloading
- Low ESR capacitor
Specifications
- 1A output current capability
- ±1% high output voltage precision
- -40°C to 105°C operating temperature range
Applications
- Audiovisual equipment
- FPDs
- Televisions
- Personal computers
- Other consumer devices
Block Diagram
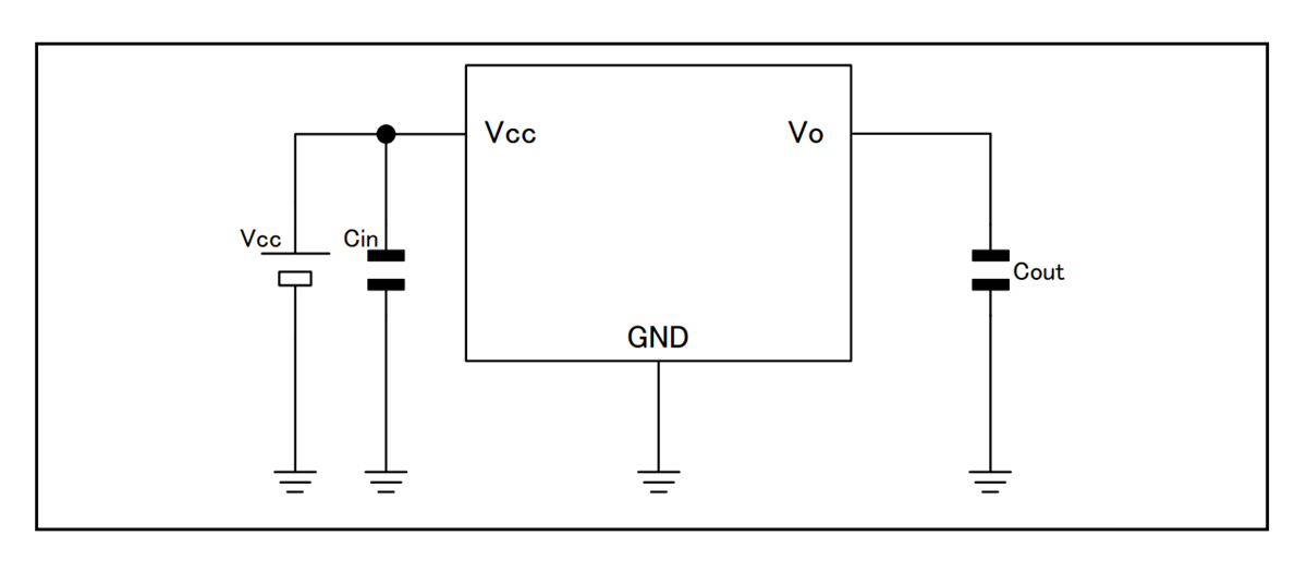
Typical Application Circuit Diagram
Application Notes
Yayınlandı: 2021-03-23
| Güncellenmiş: 2022-03-11
