ROHM Semiconductor BSM300D12P2E001 SiC Power Module
ROHM Semiconductor BSM300D12P2E001 SiC Power Module is a half-bridge module consisting of a Silicon Carbide DMOSFET and a Silicon Carbide Schottky Barrier Diode. ROHM Semiconductor BSM300D12P2E001 SiC Power Module is designed for motor drives, inverter/converters, photovoltaics, energy harvesting, and induction heating equipment. It has low surge, low switching loss and high-speed switching are possible.Features
- Low surge, low switching loss
- High-speed switching possible
- Reduced temperature dependence
Applications
- Motor drives
- Inverter/converters
- Photovoltaics
- Energy harvesting
- Induction heating equipment
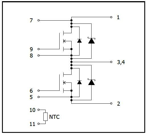
Circuit Diagram
Yayınlandı: 2015-10-14
| Güncellenmiş: 2022-03-11
