ROHM Semiconductor ML86640-EVA Evaluation Board
ROHM Semiconductor ML86640-EVA Evaluation Board is designed to facilitate the evaluation and development of applications using the LAPIS ML86640TB video encoder, a highly capable device for encoding video signals in various formats. The ML86640TB is well-suited for automotive, industrial, and consumer electronics applications, offering high-quality video encoding with efficient power consumption. The ML86640-EVA board provides an easy-to-use platform for testing the video encoding capabilities of the ML86640TB, which supports multiple video standards and resolutions, enabling seamless integration into video processing systems.The ROHM Semiconductor ML86640-EVA evaluation board is equipped with the necessary interfaces for connecting to video input/output devices and includes software tools to help developers fine-tune video parameters, ensuring optimal performance. With a compact design and comprehensive features, the ML86640-EVA board simplifies the development process for video applications, making it an ideal solution for developers looking to integrate the ML86640TB video encoder into existing systems.
Features
- Evaluates the LAPIS ML86640TB Video Encoder
- RESET and I2C control
- Audio processing capabilities
- Flexible interface
- Low power consumption
- High-quality output
- User-friendly design
- 125mm x 107mm x 28mm (WxDxH) size
Applications
- Car navigation
- Display audio
- In-vehicle cameras
- Drive recorders
- Video intercoms
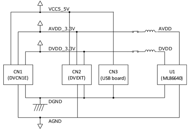
Schematic
Yayınlandı: 2024-12-18
| Güncellenmiş: 2025-01-23
