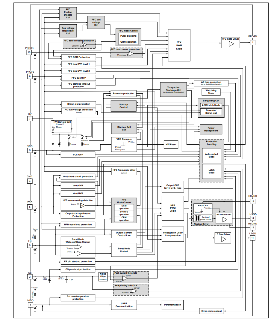
Infineon Technologies XDPS2221 PFC + Hybrid-Flyback Combo Controller
Infineon Technologies XDPS2221 PFC + Hybrid-Flyback Combo Controller is a highly integrated device including a multimode AC-DC PFC controller and a multimode DC-DC hybrid-flyback controller. Combining the high-performance multimode PFC and hybrid flyback into a single package reduces external BOM components and optimizes the system performance by harmonizing the operation of the two stages. The Infineon XDPS2221 combo controller is available in a DSO-14 (150-mil) package.Features
- IEC62368-1 certified active X-cap discharge function
- High-performance multi-mode PFC with critical conduction mode operation
- High-efficiency multi-mode hybrid-flyback topology with adaptive resonant period
- DSO-14 (150-mil) package
- Supports USB-PD standard V3.1 extended power range (EPR) with wide output voltage up to 28V (36V/48V to be covered by XDPS2222)
- Highly integrated combo controller for the PFC and hybrid flyback topology, including a 600V start-up cell with X-cap discharge functionality
Applications
- Adapters and chargers
- with ultra-high power density
- with extended power range (EPR)
Block Diagram
Yayınlandı: 2022-11-16
| Güncellenmiş: 2022-11-30
