STMicroelectronics DCP3603 3A Synchronous Buck Converters

STMicroelectronics DCP3603 3A Synchronous Buck Converters are wide-input voltage, easy-to-use synchronous buck converters that can drive up to 3A load current. The extended input range from 3.3V to 36V makes the device suitable for a wide range of industrial applications. The STMicroelectronics DCP3603 operates at either 500kHz or 1.0MHz fixed switching frequency, allowing the use of small inductors for an optimized solution size. Optional switching frequency dithering is implemented to improve EMI performance. It is based on a peak current mode architecture, including soft-start circuit, overcurrent protection circuit, overtemperature protection, output overvoltage protection, and is packaged in a SOT-23-6L package.

Features

  • 89% typical efficiency at 1000mA load (VIN = 24V, VOUT = 5V)
  • 93% typical efficiency at 1000mA load (VIN = 12V, VOUT = 5V)
  • 3.3V to 36V input operating voltage range
  • Up to 3A output current capability
  • 85μA operating quiescent current
  • 500kHz or 1.0MHz fixed switching frequency
  • Synchronous rectification
  • Internal compensation network
  • Peak current mode control
  • Two different versions
    • LCM for high efficiency at light loads
    • LNM for noise-sensitive applications
  • Output overvoltage protection
  • Thermal shutdown
  • Precision enable
  • Switching frequency dithering
  • Available in a SOT-23-6L package

Applications

  • Major appliances
  • Smart metering
  • Industrial 12V/24V bus conversion

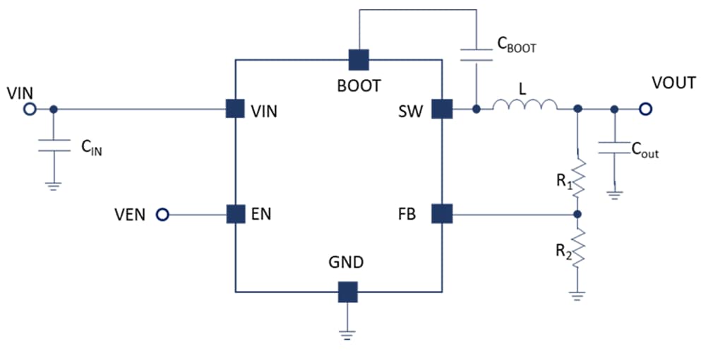
Typical Application Circuit

Application Circuit Diagram - STMicroelectronics DCP3603 3A Synchronous Buck Converters
Yayınlandı: 2025-12-03 | Güncellenmiş: 2025-12-10