STMicroelectronics EVL6482 Stepper Motor Driver Evaluation Board
STMicroelectronics EVL6482 Stepper Motor Driver Evaluation Board is based on the L6482 and provides an affordable and easy-to-use solution to drive a stepper motor in the user's application. The L6482 device is an advanced, fully integrated solution suitable for driving micro-stepping two-phase bipolar stepper motors. It combines a dual full-bridge gate driver for N-channel MOSFET power stages with embedded non-dissipative overcurrent protection. Thanks to a new current control, a 1/16-micro-stepping is achieved through an adaptive decay mode, which outperforms traditional implementations. The digital control core can generate user-defined motion profiles with acceleration, speed, deceleration, or target position, easily programmed through a dedicated set of registers. All commands and data registers are sent through a standard 5Mbit/s SPI, including those used to set analog values (such as current control value, current protection trip point, dead time, etc.). A complete set of protections (thermal, low bus voltage, overcurrent, and motor stall) fully protects the L6482 device, as required by the most demanding motor control applications.The STMicroelectronics EVL6482 is compatible with the Arduino® UNO R3 connector, and it supports the addition of other boards, which can be stacked to drive up to three stepper motors.
Features
- Voltage range from 7.5V to 85V
- Low RdsON MOSFETs in the DPAK package
- Power OK and fault LEDs
- Advanced current control
- Fully protected power stage
- Micro-stepping resolution up to 1/16
- Compatible with Arduino UNO R3 connector
- Suitable for multi-motor solutions
- RoHS compliant
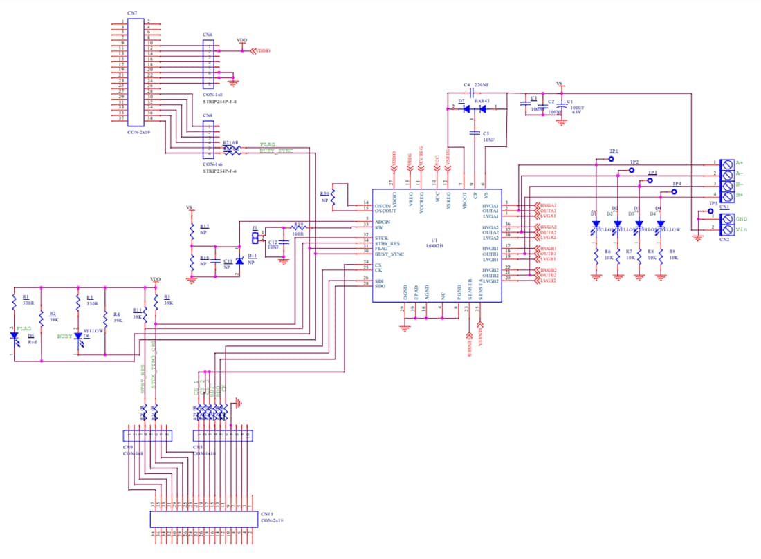
Board Schematic
Yayınlandı: 2024-11-04
| Güncellenmiş: 2024-11-07
