STMicroelectronics L6982 Synchronous Step-down Converters
STMicroelectronics L6982 Synchronous Step-down Converters are easy-to-use monolithic regulators capable of delivering up to 2A DC to the load. The L6982 features a wide input voltage range of 3.5V to 38V, making the device suitable for a broad range of applications.The STM L6982 Synchronous Step-down Converter offers both a low consumption mode (LCM) and a low noise mode (LNM) version. LCM maximizes the efficiency at light-load with a controlled output voltage ripple, so the device is suitable for battery-powered applications. LNM makes the switching frequency constant and minimizes the output voltage ripple for light load operations, meeting the specification for low noise-sensitive applications.
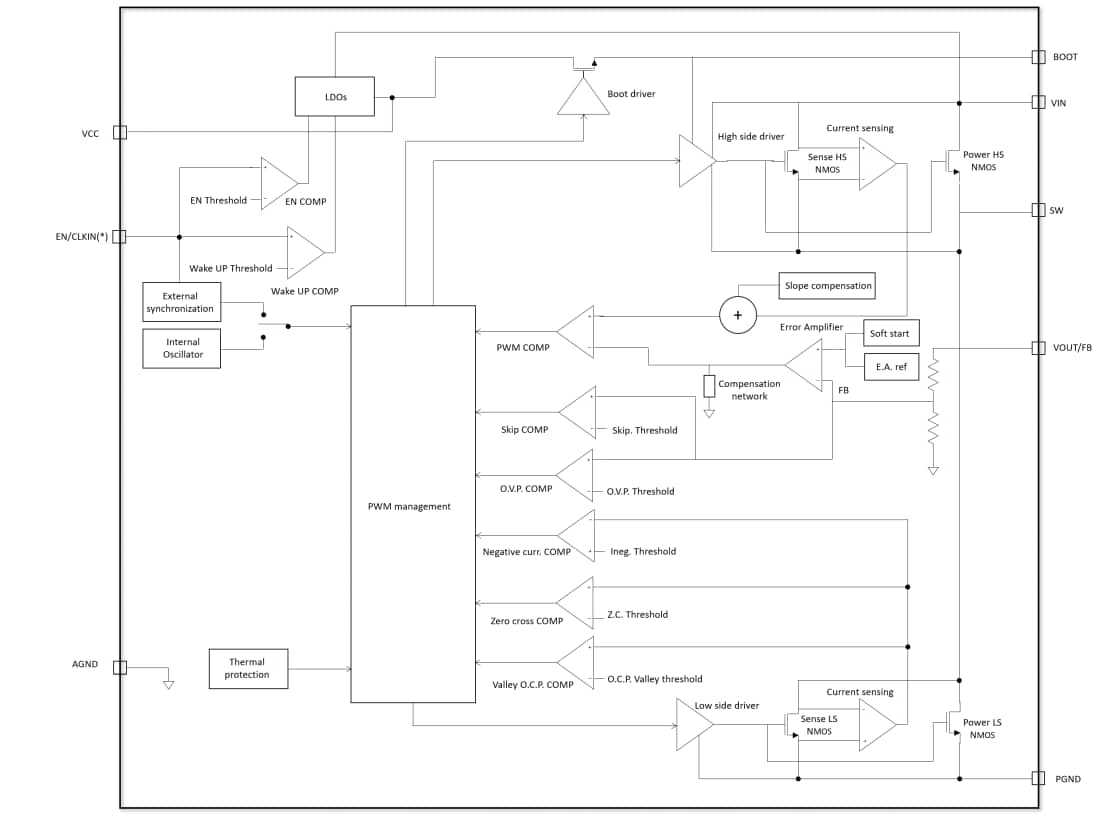
The L6982 has a peak current mode architecture and is available in a SO-8L package with internal compensation, minimizing design complexity and size.
Features
- 3.5V to 38V operating input voltage
- Output voltage from 0.85V to VIN
- 2A DC output current
- Internal compensation network
- Two different versions, LCM for high efficiency at light-loads and LNM for noise sensitive applications
- 2uA shutdown current
- Internal soft-start
- Enable
- Overvoltage protection
- Output voltage sequencing
- Thermal protection
- Synchronization to external clock for LNM devices
- SO 8L package
Applications
- Designed for 24V buses industrial power systems
- 24V battery powered equipment
- Decentralized intelligent nodes
- Sensors and always-on applications
- Low noise applications
Block Diagram
Basic Application (Adjustable)
Videos
Yayınlandı: 2021-04-29
| Güncellenmiş: 2023-01-24
