STMicroelectronics L9026 Multi-Channel Relay Driver

STMicroelectronics L9026 Multi-Channel Relay Driver is optimized for automotive LED and relay applications and is compatible with resistive, inductive, and capacitive loads. The L9026 integrates two High-Side drivers and six configurable High-Side/Low-Side drivers and can be driven by SPI or by two dedicated parallel inputs. The device offers advanced diagnostic and protection functionalities such as short to GND, open load, overcurrent, and over-temperature detections. Limp Home functionality is also featured, which allows using two selected drivers in particular faulty conditions, such as SPI fault, micro fault, or supply UV. Daisy chaining is possible even with 8-bit SPI devices.

The L9026 Relay Driver features guaranteed operation undercranking scenarios down to VBATT = 3V and provides very low quiescent current under RESET conditions. The SPI interface is used for control and configuration of the loads as well as of the device and status feedback of all diagnostic functions is provided. For direct control and PWM, there are two input pins available that are connected to two defined outputs by default. Additional output mapping can be controlled by SPI.

The AEC-Q100 qualified STMicroelectronics L9026 Relay Driver is available in HTSSOP24 and VFQFPN32 package options. On the VFQFPN package, 2 additional pins are available for safety reasons. The NRES pin is used to reset internal registers to their default values and the DIS pin is used to disable all channels.

Features

  • AEC-Q100 qualified
  • 6x configurable High-Side/Low-Side drivers
  • 2x High-Side drivers
  • 2x parallel input pins with Input Mapping functionality
  • Cranking capability down to VBATT = 3.0V
  • Digital supply voltage compatible with 3.3V and 5.0V microcontrollers
  • Reverse battery protection on VBATT and on drain pins without external components
  • LED mode
  • Bulb Inrush Mode (BIM) to drive lamps and electronic loads
  • 2x internal PWM generators for microcontroller offload
  • Very low quiescent current with the usage of IDLE pin
  • Limp Home mode with the usage of IDLE and IN pins
  • Safety features
    • Temperature Sensor and Monitoring
    • Serial communications using address feedback, 1 parity bit, frame counter, and short frame detection
  • 16-bit Serial Peripheral Interface (SPI) for control and diagnosis
  • Daisy Chain capable SPI, also compatible with 8-bit SPI devices
  • HTSSOP24 and VFQFPN32 package options
  • Fully ISO26262 compliant, ASIL-B systems ready
  • Green Product (RoHS compliant)

Applications

  • Automotive
    • LEDs and bulbs
    • Relay applications

Block Diagram

Block Diagram - STMicroelectronics L9026 Multi-Channel Relay Driver

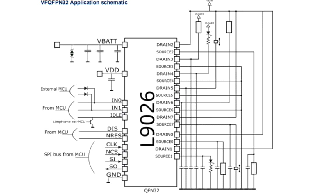
Application Diagram (VFQFPN32)

Application Circuit Diagram - STMicroelectronics L9026 Multi-Channel Relay Driver

Application Diagram (HTSSOP24)

Application Circuit Diagram - STMicroelectronics L9026 Multi-Channel Relay Driver

Videos

Yayınlandı: 2021-03-23 | Güncellenmiş: 2025-05-16