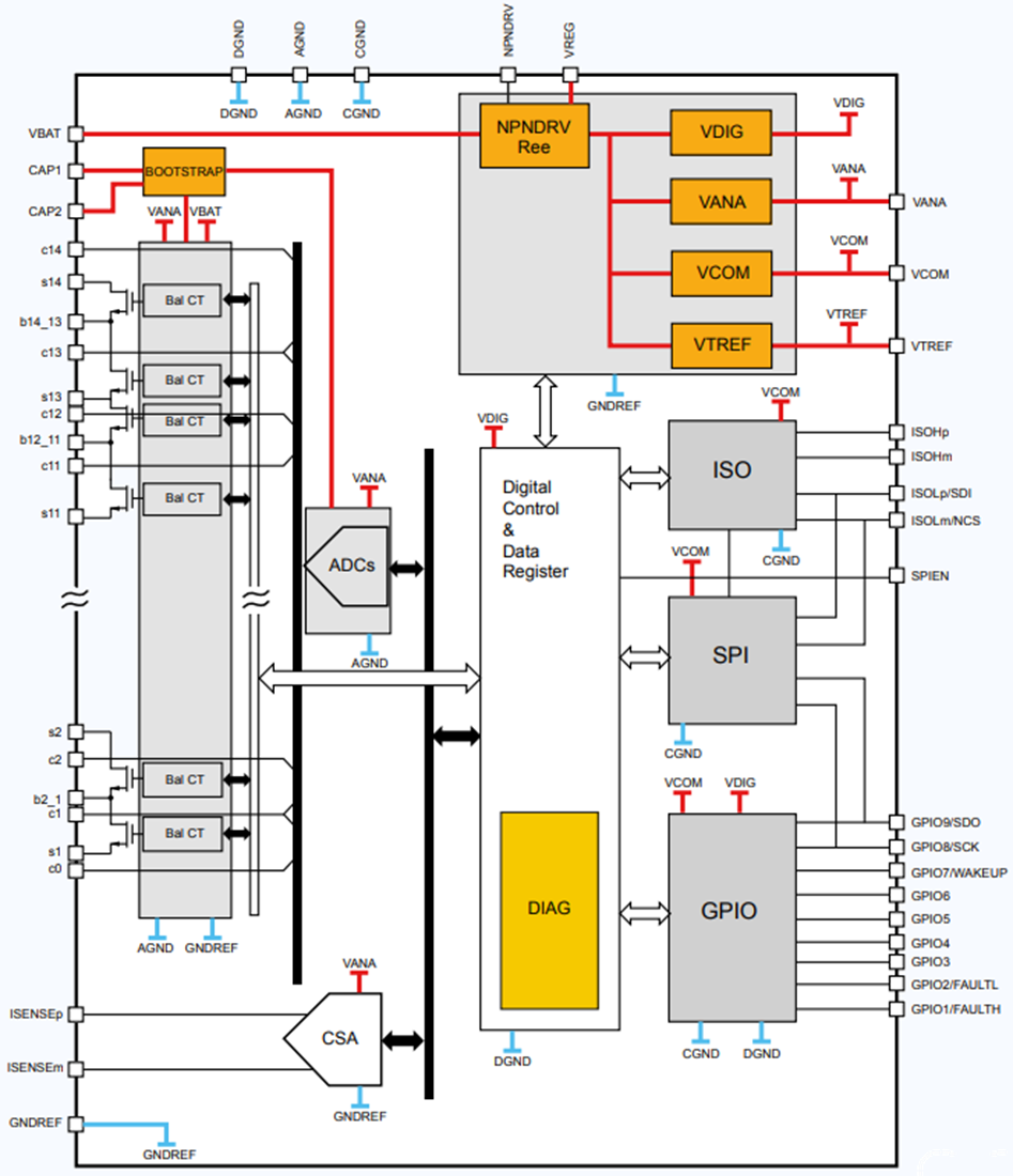
STMicroelectronics L9963E Multicell Battery Monitoring & Balancing IC
STMicroelectronics L9963E Multicell Battery Monitoring & Balancing IC is a Li-ion battery monitoring and protecting chip for high-reliability automotive applications and energy storage systems. Up to 14 stacked battery cells can be monitored to meet the requirements of 48V and higher voltage systems. Each cell voltage is measured with high accuracy, as well as the current for the on-chip coulomb counting. The device can monitor up to seven NTCs. The information is transmitted through SPI communication or an isolated interface. Multiple L9963E can be connected in a daisy chain and communicate with one host processor via the transformer isolated interfaces, featuring high-speed, low EMI, long-distance, and reliable data transmission.Passive balancing with programmable channel selection is offered in both normal and low power mode (silent balance). The balancing can be terminated automatically based on internal timer interrupt. Nine GPIOs are integrated for external monitoring and control. The STMicroelectronics L9963E features a comprehensive set of fault detection and notification functions to meet the safety standard requirements.
Features
- AEC-Q100 qualified
- Measures 4 to 14 cells in series, with 0μs desynchronization delay between samples
- Supports also busbar connection without altering cell results
- Coulomb counter supporting pack overcurrent detection in both ignition on and off states
- Fully synchronized current and voltage samples
- 16-bit voltage ADC with a maximum error of ±2mV in the [0.5V to 4.3V] range, after soldering, in [-40°C to +105°C] Tj range
- 2.66Mbps isolated serial communication with regenerative buffer, supporting dual access ring
- Less than4 us latency between the start of conversion of the 1st and the 31st device in a chain
- Less than 4ms to convert and read 96 cells in a system using 8 L9963E and L9963T transceiver
- Less than 8ms to convert and read 210 cells in a system using 15 L9963E and L9963T transceiver
- Less than 16ms to convert and read 434 cells in a system using 31 L9963E and L9963T transceiver
- Supports both XFMR and CAP based isolation
- 200mA passive internal balancing current for each cell in both normal and silent-balancing mode
- Possibility of executing cyclic wake-up measurements
- Manual/Timed balancing, on multiple channels simultaneously; Internal/External balancing
- Fully redundant cell measurement path, with ADC Swap, for enhanced safety and limp home functionality
- Intelligent diagnostic routine providing automatic failure validation
- Redundant fault notification through both SPI Global Status Word (GSW) and dedicated FAULT line
- Two 5V regulators supporting external load connection with 25mA (VCOM) and 50mA (VTREF) current capability
- 9 GPIOs, with up to 7 analog inputs for NTC sensing
- Robust hot-plug performance. No Zeners needed in parallel to each cell
- Full ISO26262 compliant, ASIL-D systems ready
Applications
- Automotive - 48V and high-voltage battery packs
- Backup energy storage systems and UPS
- E-bikes, e-scooters
- Portable and semi-portable equipment
Block Diagram
Yayınlandı: 2021-04-07
| Güncellenmiş: 2025-06-19
