STMicroelectronics L99ASC03G Multifunctional System IC
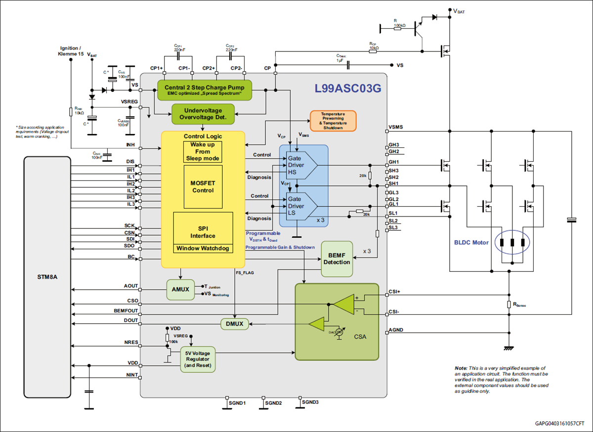
STMicroelectronics L99ASC03G Multifunctional System IC is a brushless/sensorless 3-phase motor pre-driver for automotive applications. The L99ASC03G features a voltage regulator to supply an external microcontroller and an operation amplifier for motor current sensing. The IC is designed to control six external N-channel MOSFETs in bridge configuration to drive three-phase motors in automotive applications. All gate driver outputs are controlled by separate inputs. The integrated Serial Peripheral Interface (SPI) can be used to adjust device parameters, control all operating modes and read out diagnostic information. Applications for the STMicroelectronics L99ASC03G Multifunctional System IC are Mechatronic three-phase motors such as engine cooling fans, fuel pumps, water pumps, and oil pumps.Features
- AEC-Q100 qualified
- 5V low-drop voltage regulator (200mA continuous mode)
- Very low current consumption in standby mode (typ. 15μA)
- ST SPI interface for control and diagnostics
- Window watchdog and fail-safe functionality
- Two separate power supply pins
- Three half-bridge drivers to control external MOSFETs (configurable by SPI)
- Full drive of external MOSFETs down to 6V input voltage
- Input pin for each gate driver (with crosscurrent protection)
- Two-stage charge pump supporting 100% duty cycle
- PWM operation up to 80kHz (not restricted)
- Current-sense amplifier (configurable by SPI)
- Disable input to turn off gate driver outputs
- Analog multiplexer output to monitor external power supply voltages and internal junction temperature
- Advanced BEMF detection IP
- Overcurrent protection (programmable)
- Drain-source monitoring and open-load detection
- TQFP48 7mm x 7mm x 1mm with Exposed Pad (4.5mm x 4.5mm) package
Block Diagram
Yayınlandı: 2018-03-28
| Güncellenmiş: 2023-02-02
