STMicroelectronics L99UDL01 Automotive Universal Door Lock IC
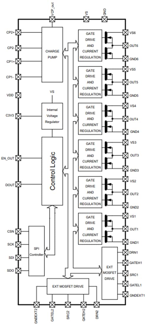
STMicroelectronics L99UDL01 Automotive Universal Door Lock IC is a multiple half-bridge IC with six integrated outputs that are PWM configurable and current regulated. The device includes up to two externally configured half bridges for higher current nodes. The level of diagnostics includes open load, short to battery, short to ground, and load integrity via 10-bit current feedback. STMicroelectronics L99UDL01 is commanded entirely by SPI using duration and current-level commands.Features
- AEC-Q100 qualified
- Designed for central door lock systems driving all of the door lock actuators
- Six integrated fully protected 0.09Ω half-bridges
- Integrated half bridges can be fully independent or paralleled up to three in parallel
- Two levels of standby
- Standby (SPI initiated)
- Sleep (VDD = 0V)
- Very low current consumption in standby
- Only wake-up circuit active
- High level of programmability
- On-time duration
- Direction
- Current level
- Off-state fault detection
- Two external half-bridge controllers (using external N-channel MOSFETs or Smart Power devices)
- External half-bridges protected by drain-source monitoring and off-state fault detection
- 2-stage charge pump for low voltage operation
- PWM current regulation up to 25kHz
- 4MHz 24-bit SPI interface for control and diagnostics
- Output enable for high security
- High-level diagnostics
- 10-bit digital current feedback (via SPI) for load integrity check
- Thermal warning and shutdown protection
- Reverse battery protection using an external N-Channel MOSFET
- TQFP64L exposed pad package
Block Diagram
Yayınlandı: 2019-12-04
| Güncellenmiş: 2024-02-20
