STMicroelectronics STEVAL-IHT005V2 Demonstration Board
STMicroelectronics STEVAL-IHT005V2 Demonstration Board, with full 3.3V ACS/triac control using the STM32F100, provides a complete solution for home appliance applications based on STMicroelectronics components. The board enables designers to evaluate the feasibility of AC switch controls with a 3.3V supply. Special emphasis is placed on the demonstration of a robust full 3.3V solution, based on 4kV level in class A during an IEC- 61000-4-4 (burst) test. The STEVAL-IHT005V2 is based on the 48-pin, 32-bit STM32F100C4T6B MCU running at 24MHz (RC user-trimmable internal RC clock), featuring 16kBytes of flash memory, 12-bit A/D converter, five timers, communication interfaces, and 4kBytes of SRAM. The power supply circuitry is based on the VIPer16L, an offline converter with an 800V avalanche-rugged power section, operating at 60kHz. The power supply provides negative 6V in buck-boost topology.STMicroelectronics STEVAL-IHT005V2 Demonstration Board can control two high power loads up to 2830W thanks to the T1635H, which is a 16A, 600V high-temperature triac, and up to 2050W using the ACST1635-8FP, which is a 16A, 800V high-temperature overvoltage-protected ACST device. The high-power load control is based on phase-angle control.
To limit inrush current and possible current peaks, the board features a soft-start routine and a smooth power change function for the high power loads. The STEVAL-IHT005V2 can also control four low-power loads up to 100W thanks to three ACS108-8S, which are 0.8A, 800V overvoltage-protected ACS devices, and a Z0109, 1A standard four-quadrant 600V triac.
Features
- Complete solution for -3.3V control
- 90VAC to 265VAC input voltage range at 50Hz / 60Hz
- Negative 6V/3.3VDC aux power supply based on the VIPer16L in buck-boost topology
- Total power consumption in standby mode lower than 0.5W for 264V / 50Hz
- 48-pin, 32-bit value line family STM32F100C4T6B MCU as main controller
- Zero voltage switching (ZVS) interrupt to synchronize MCU events with voltage mains
- 1 x T1635H-6T and 1 x ACST1635-8FP for phase control of high power loads
- 5 discrete power level states with soft change for phase-angle controlled devices
- 1 x Z0109 and 3 x ACS108 for full wave control of low-power loads
- Relay to demonstrate board noise robustness
- Red LED to indicate board mains supply
- Green LED for each ACS / ACST / triac to indicate device on/off status
- JTAG programming connector
- External wire loop for gate current measurement
- I2C bus hardware/software ready
- IEC 61000-4-4 pre-compliance test passed (burst up to 8kV)
- IEC 61000-4-5 pre-compliance test passed (surge up to 2kV)
- RoHS compliant
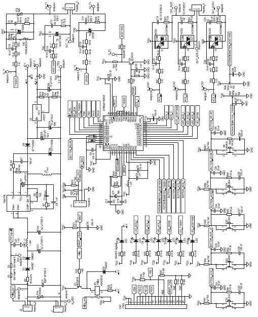
Schematic Diagram
Yayınlandı: 2014-01-06
| Güncellenmiş: 2022-03-11
