STMicroelectronics STEVAL-MKI139V5 Microphone Coupon Board
STMicroelectronics STEVAL-MKI139V5 Microphone Coupon Board is a daughter board that includes four MP23AB01DH analog MEMS microphones. This MP23AB01DH microphone features high-performance, fully differential analog bottom-port omnidirectional sensor, high SNR, and compact and low-power MEMS audio sensor. The coupon concept allows performance testing of ST MEMS microphones. This STEVAL-MKI139V5 board comes with single PCBs hosting each microphone that can be detached.Features
- 4 x MP23AB01DH bottom port analog MEMS microphones
- 2.3V to 3.6V operating voltage supply range
- 135dBSPL acoustic overload point
- Omnidirectional sensitivity
- 100Hz to 10kHz frequency range
- 65dB of SNR
- Sensitivity -38dBFV ±1dBV
- THD < 0.2% @ 94dBSPL, 1kHz
- THD < 5% @ 130dBSPL, 1kHz
- RoHS compliant
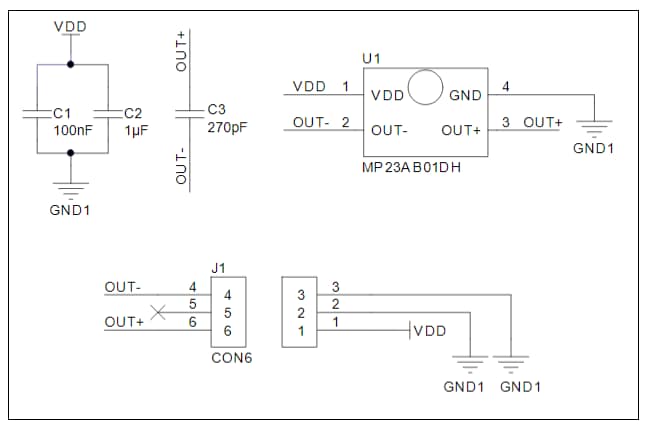
STEVAL-MKI139V5 Coupon Circuit
Additional Resources
Yayınlandı: 2017-06-16
| Güncellenmiş: 2022-06-13
