STMicroelectronics STEVAL-SCR001V1 Evaluation Board
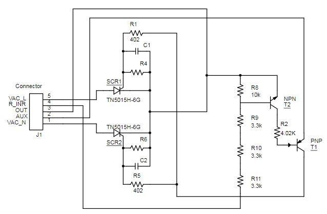
STMicroelectronics STEVAL-SCR001V1 Evaluation Board is a low-cost board for testing ST inrush current limitation solutions. The STEVAL-SCR001V1 evaluation board offers a compact and reliable alternative to relays to bypass inrush current limiting resistors in power converters. This STEVAL-SCR001V1 board consists of a drive circuit which is self-syncronized to the AC line. The evaluation board allows low gate drive consumption and no SCR reverse losses in a pulse mode of operation. This STMicroelectronics STEVAL-SCR001V1 Evaluation Board is suitable for applications with peak current up to 5A (@ 60°C ambient temperature).Features
- Two high-temperature thyristors (SCR) to bypass the inrush resistor
- 26mm x 26mm (≈ 1 sq. in) compact SMD solution
- 2 low voltage transistors and 7 resistors (no MCU) simple drive circuit
- Requires an unregulated power supply (12V typical created from a secondary winding)
- Compatible with PFC and fly-back converter
- Suitable for applications from 50W up to 800W (230VRMS, TAMB = 60°C)
- 90VAC to 265VAC input voltage range
- 50/60Hz input frequency range
- Robust and immune :
- 2kV IEC 61000-4-5
- 2.5kV IEC 61000-4-4
- Low EMI noise (EN55014) solution
- RoHS compliant
Schematic
Yayınlandı: 2018-04-02
| Güncellenmiş: 2023-02-01
