STMicroelectronics STPM3x Single Phase Metering ICs
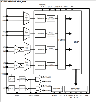
STMicroelectronics STPM3x Single Phase Metering ICs are an ASSP family designed for high accuracy measurement of power and energies in power line systems using the Rogowski coil, current transformer, or shunt current sensors. These devices provide instantaneous voltage and current waveforms and calculate RMS values of voltage and currents, active, reactive, and apparent power and energies. The STPM3x Mixed Signal ICs consist of an analog and a digital section. The analog section consists of up to two programmable gain low-noise low-offset amplifiers and up to four 2nd order 24-bit sigma-delta ADCs, two bandgap voltage references with independent temperature compensation, a low drop voltage regulator, and DC buffers. The digital section consists of digital filtering stage, a hardwired DSP, DFE to the input and a serial communication interface (UART or SPI). These are fully configurable and allows a fast digital system calibration in a single point over the entire current dynamic range.The STMicroelectronics STPM3x Single Phase Metering ICs are offered in QFN24L (STPM32) and QFN32L (STPM33 and STPM34) packages.
Features
- Active power accuracy:<0.1% error over 5000: 1 dynamic range
- <0.5% error over 10000: 1 dynamic range
- Exceeds 50Hz to 60Hz EN 50470-x, IEC 62053-2x, ANSI12.2x standard requirements for AC watt meters
- Reactive power accuracy:<0.1% error over 2000:1 dynamic range
- Dual mode apparent energy calculation
- Instantaneous and averaged power
- RMS and instantaneous voltage and current
- Under and overvoltage detection (sag and swell) and monitoring
- Overcurrent detection and monitoring
- UART and SPI serial interface with programmable CRC polynomial verification
- Programmable LED and interrupt outputs
- Four independent 24-bit 2nd order sigma-delta ADCs
- Two programmable gain chopper stabilized low-noise and low-offset amplifiers
- Bandwidth 3.6kHz @ -3dB
- VCC supply range 3.3V±10%
- Input clock frequency 16MHz, Xtal or external source
- Twin precision voltage reference: 1.23V with independent programmable TC, 10ppm/°C typ.
- Internal low drop regulator @ 3V (typ.)
- Package options
- STPM32: 4.0mm x 4.0mm QFN24L
- STPM33 and STPM34: 5.0mm x 5.0mm QFN32L
- Operating temperature -40°C to +85°C
Videos
Yayınlandı: 2014-05-07
| Güncellenmiş: 2025-05-27
