STMicroelectronics STWA70N65DM6 N-Channel 650V 68A Power MOSFET
STMicroelectronics STWA70N65DM6 N-Channel 650V 68A Power MOSFET is a MDmesh DM6 fast-recovery diode in a TO-247 long lead package. STMicroelectronics STWA70N65DM6 combines very low recovery charge (Qrr), very low recovery time (trr), and excellent drain-source on resistance (RDS(on)) per area with highly effective switching behavior. This device is ideal for demanding high-efficiency bridge topologies and ZVS (Zero-Voltage Switching) phase-shift converters.Features
- Switching applications
- Fast-recovery body diode
- 36mΩ typical, 40mΩ maximum static drain-source on resistance (RDS(on))
- Low gate charge, input capacitance, and resistance
- ±25V gate-source voltage (VGS)
- 100% avalanche tested
- Extremely high dv/dt ruggedness
- Zener-protected
- -55°C to +150°C operating junction temperature range (TJ)
- TO-247 long lead package type
- REACH, RoHS, and EL compliant ECOPACK® package
Test Circuits
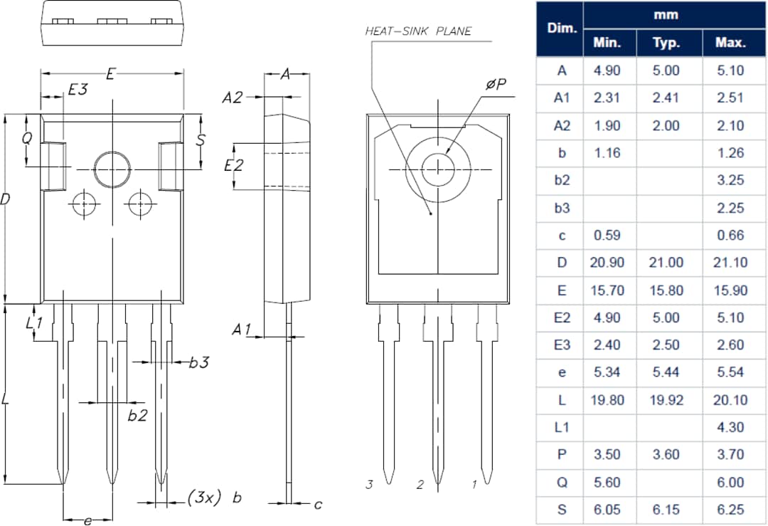
Package Outline & Dimensions
Yayınlandı: 2019-12-02
| Güncellenmiş: 2024-02-22
