STMicroelectronics STEVAL-LLL013V1 7x25 LED Matrix Board
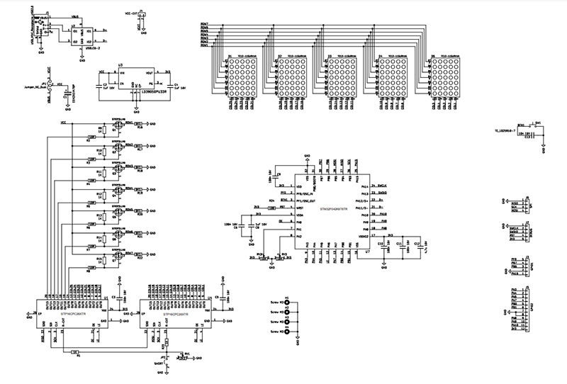
STMicroelectronics STEVAL-LLL013V1 7x25 LED Matrix Board is controlled by two STP16CPC26 LED drivers and evaluates the features of the STP16CPC26 when used to drive an LED matrix. The LED matrix board displays banners where each pixel can have a different brightness level (32 levels). Scroll banners horizontally in both directions for light effects with a screen refresh rate higher than 100Hz. Banners are loaded by the use of the STSW-LLL013GUI PC software app. Additional potentiometers on the board allow users to change the brightness of the whole display and the speed of the banner scrolling effects. Many hardware resources are available to showcase the board's potential features. These resources include pin connectors that deliver additional MCU features, a JTAG interface, and a serial input/output to cascade other LED drivers.The STP16CPC26 component is a monolithic, low voltage, 16-bit constant current LED sink driver with a serial input/output interface. Using an SPI IP interface, the two LED drivers are connected in a daisy chain and controlled by an STM32F042K6T6 MCU. By implementing a USB VCP device class, the MCU works as a frame generator for the banners and a bridge with the PC software app.
Features
- Controlled by two STP16CPC26 LED drivers
- Two selected power supply modes
- USB
- External 5V supply
- Screen refresh rate of >100Hz
- 32-level pixel brightness
- Screen brightness set by potentiometer
- Scrolling effects speed set by potentiometer
- PC SW GUI for banner design
- WEEE and RoHS compliant
Required Equipment
- STEVAL-LLL013V1 with the STSW-LLL013FW installed
- PC/laptop with Windows 10
- STSW-LLL013GUI PC software
- USB cable with a USB mini-type B connector
Schematic
Additional Resources
Yayınlandı: 2023-03-21
| Güncellenmiş: 2023-03-28
