Taiwan Semiconductor Ultra Low Dropout Voltage Regulators
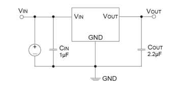
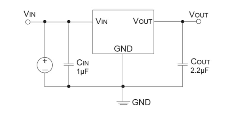
Taiwan Semiconductor Ultra Low Dropout Voltage Regulators are efficient linear voltage regulators with ultra-low noise output and dropout voltage. The quiescent current on the devices increases slightly at dropout, prolonging battery life for battery-power applications. The Taiwan Semi Regulators feature an internal current limit, thermal shutdown protection, and an output voltage trimmed before assembly.The Ultra Low Dropout Voltage Regulators are ideal for SMPS, industrial instrumentation, telecommunication, and battery-powered equipment applications.
Features
- Output voltage trimmed before assembly
- Internal current limit
- Thermal shutdown protection
- -18V Reverse peak voltage
- +30V Input over-voltage protection
- +60V Transient peak voltage
- Ultra-low noise output
- Output current up to 80mA
- Low dropout voltage
- Low power consumption
- Suitable for use in automotive electronics (TS4264G)
- Wide temperature polarity range (TS4264G)
Applications
- Post regulator for SMPS
- Industrial instrumentation
- Telecommunication
- Control module
- Body and Chassis
- Powertrain
- Cellular telephones
- Palmtops, notebook computers
- Battery powered equipment
Yayınlandı: 2022-07-18
| Güncellenmiş: 2025-10-23
