Taiwan Semiconductor TQL820CA14Vx LDO Voltage Regulators
Taiwan Semiconductor TQL820CA14Vx Low Dropout (LDO) Voltage Regulators are high-performance low dropout voltage regulators with the maximum driving current. These regulators are suitable for automotive or other supply systems. The TQL820CA14Vx LDO regulators require one small ceramic capacitor of 1μF to exhibit fast regulation and good stability. These regulators show very low-dropout voltage with 70mV in 100mA-load, 110mV in 200mA-load, and the start operating voltage is 3V which is suitable for the cranking condition of the automotive system. The TQL820CA14Vx LDO regulators have enabled the function to switch on and off for power dissipation.The TQL820CA14Vx LDO regulators feature programmable delayed reset timing at power-on, adjustable reset threshold voltage, output current limit, Over temperature protection, and RoHS Compliant. These regulators are suitable for automotive power supply systems and general power supplies.
Features
- Programmable delayed reset timing at power-on
- Adjustable reset threshold voltage
- Flexible watch-dog timing and current dependent deactivation
- Output current limit
- Enable, under-voltage reset
- Over temperature protection
- RoHS compliant
- Halogen-Free according to IEC 61249-2-21
Specifications
- TQL820CA14V33:
- 3.3V fixed output voltage
- 15V maximum input voltage
- TQL820CA14V50:
- 5V fixed output voltage
- 50V maximum input voltage
- 200mA output current
- 40μA low quiescent current
- ±2% output voltage accuracy
- 3V minimum input voltage
- -40°C to 150°C junction temperature range
- -55°C to 150°C storage temperature range
- -40°C to 150°C operating junction temperature range
- -40°C to 125°C operating ambient temperature range
Applications
- Automotive power supply systems
- General power supply applications
Videos
Block Diagram
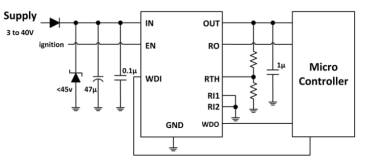
Application Circuit Diagram
Datasheets
Yayınlandı: 2022-01-07
| Güncellenmiş: 2023-06-01
