TDK Basic Control Circuit Solutions

TDK offers a wide range of components ideally suited for the design and development of control circuits for motor control, DC to DC boost, and pulse width modulation (PWM). These components include a wide range of general passive devices, including signal inductors, signal transformers, magnetics, chokes, common-mode filters, aluminum electrolytic capacitors, film capacitors, SMD varistors, and surge arresters.

Basic Control Circuit Diagram

TDK Basic Control Circuit Solutions

General Controller

View Signal Inductors
              Temperature range up to +145°C
              High Q factor
              High resonance frequency
           •   Qualified to AEC-Q200
           •   Suitable for lead-free reflow soldering

View Power Inductors
           •   Temperature range up to +150°C
           •   High rated current
              Low DC resistance
           •   Suitable for lead-free reflow soldering
           •   Qualified to AEC-Q200

View Chokes
           •   High resonance frequency from special winding technique
           •   Suitable for wave soldering
           •   Design complies with EN, VDE, and UL standards
           •   Powerline common mode

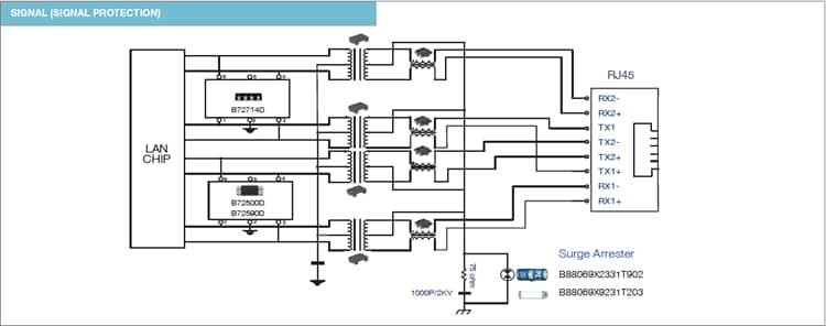
Signal Protection Diagram

TDK Basic Control Circuit Solutions

Signal Protection

View Signal Inductors
           •   Temperature range up to +145°C
           •   High Q factor
           •   High resonance frequency
           •   Qualified to AEC-Q200
           •   Suitable for lead-free reflow soldering

View Common-Mode Filters
           •   Excellent common-mode impedance and noise suppression in a compact case
           •   Low profile and small size

View Signal Transformers
           •   ALT series, wound chip, pulse transformers developed for LAN
           •   Compatible with 10BASE-T, 100BASE-TX, and 1000BASE-T
           •   High-quality product, auto wound

Protection Devices - Varistor SMD
View EIA 0402 Chip Size, SOD-723
View 0603 Chip Size, SOD-523
           •   High-speed series, low capacitance
           •   RoHS compatible

View 0508 Chip Size, 4-Fold Array

View 0612 Chip Size, 4-Fold Array

Input Protection Diagram

TDK Basic Control Circuit Solutions

Protection

Protection Devices - Varistor SMD
View EIA 1210-2220 Chip Size
           •   UL approval to UL 1449
              Bidirectional protection
           •   Low leakage current
           •   Long-term ESD stability
           •   Stable performance at high temperature without derating

Surge Arresters
View 3-Electrode Arrester

DC/DC Power Supply (Buck) Diagram

TDK Basic Control Circuit Solutions

DC/DC Converter

View Signal Inductors
           •   Temperature range up to +145°C
           •   High Q factor
              High resonance frequency
           •   Qualified to AEC-Q200
           •   Suitable for lead-free reflow soldering

View Common-Mode Filters
           •   Excellent common-mode impedance and noise suppression in compact case
              Low profile and small size

View Power Inductors
           •   Temperature range up to +150°C
           •   High rated current
           •   Low DC resistance
              Suitable for lead-free reflow soldering
           •   Qualified to AEC-Q200

View Chokes
              High resonance frequency from special winding technique
              Suitable for wave soldering
           •   Design complies with EN, VDE, and UL standards
           •   Powerline common mode

View Aluminum Electrolytic Capacitors
           •   Ultra-low impedance at high frequency
           •   Long useful life
           •   High ripple current capability

Application Guides

Yayınlandı: 2020-03-26 | Güncellenmiş: 2024-09-25