TE Connectivity / Measurement Specialties 89BSD Digital Output Pressure Sensors
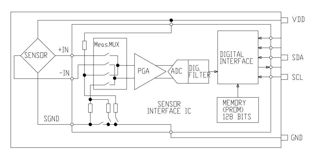
TE Connectivity's Measurement Specialties 89BSD Digital Output Pressure Sensors feature a small profile with a 9mm diameter and 316L stainless steel housing. These piezoresistive silicon pressure sensors are media compatible and support an I2C interface protocol. A custom ASIC is used for offset correction and temperature compensation. The sensing package utilizes silicone oil to transfer pressure from the 316L stainless steel diaphragm to the sensing element. These low-power, 24-bit ADC digital output pressure sensors are designed for threaded O-ring mounting. A flex cable allows the 89BSD to connect to a smaller connection terminal where size is a concern. TE Measurement Specialties 89BSD sensors are created for high performance, low pressure applications such as level controls, sealed systems, dive computers, and tank level measurement.Features
- Threaded/weldable
- I2C Interface
- <1μA low power
- <0.15μA standby power
- 1.8VDC to 3.6VDC supply voltage
- Stainless steel with O-ring seal
- Pressure/temperature read-out
- Digital output (24-bit ADC)
- ASIC calibrated
- Absolute and sealed gauge
- 9mm diameter
Applications
- Level controls
- Tank level measurement
- Corrosive fluids and gas measurement systems
- Sealed systems
- Manifold pressure measurement
- Barometric pressure measurement
- Dive computers
Block Diagram
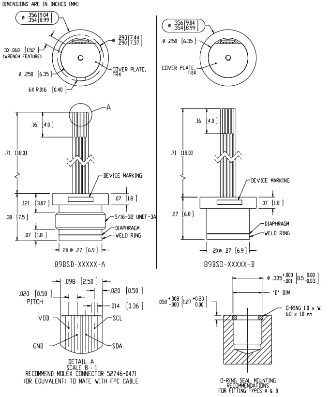
Dimensions
Yayınlandı: 2014-11-18
| Güncellenmiş: 2022-03-11
