Texas Instruments ADC08DJ5200RF 8-Bit Analog-to-Digital Converter

Texas Instruments ADC08DJ5200RF 8-Bit Analog-to-Digital Converter (ADC) is an RF-sampling, giga-sample ADC that directly samples input frequencies from DC to above 10GHz. The ADC08DJ5200RF can be configured as a dual-channel, 5.2GSPS ADC or single-channel, 10.4GSPS ADC. The support of a useable input frequency range of up to 10GHz enables direct RF sampling of L-band, S-band, C-band, and X-band for frequency agile systems.

The Texas Instruments ADC08DJ5200RF uses a high-speed JESD204C output interface with 16 serialized lanes supporting up to 17.16Gbps line rate. Deterministic latency and multi-device synchronization is supported through JESD204C subclass-1. The JESD204C interface can be configured to trade-off line rate and the number of lanes. Both 8b/10b and 64b/66b data encoding schemes are supported. 64b/66b encoding supports forward error correction (FEC) for improved bit error rates. The interface is backward compatible with JESD204B receivers.

Innovative synchronization features, including noiseless aperture delay adjustment and SYSREF windowing, simplify system design for multi-channel applications. A programmable FIR filter allows on-chip equalization.

Features

  • ADC core
    • 8-bit resolution
    • Up to 10.4GSPS in single-channel mode
    • Up to 5.2GSPS in dual-channel mode
  • Performance specifications
    • Noise floor (–20dBFS, VFS = 1 VPP-DIFF):
      • Dual-channel mode (–143.4dBFS/Hz)
      • Single-channel mode (–146.2dBFS/Hz)
    • ENOB (dual-channel, FIN = 2.4GHz, TYP) (7.8 Bits)
  • Buffered analog inputs with VCMI of 0V
    • 8.1GHz analog input bandwidth (–3dB)
    • > 10GHz usable input frequency range
    • 0.8 VPP full-scale input voltage (VFS, default)
  • Noiseless aperture delay (tAD) adjustment
    • 19fs step precise sampling control
    • Simplifies synchronization and interleaving
    • Temperature and voltage invariant delays
  • Easy-to-use synchronization features
    • Automatic SYSREF timing calibration
    • Timestamp for sample marking
  • JESD204C serial data interface:
    • 17.16Gbps maximum lane rate
    • Support for 64b/66b and 8b/10b encoding
    • 8b/10b modes are JESD204B compatible
  • Peak RF Input Power (Diff) (+26.5dBm (+ 27.5dBFS, 560x fullscale power))
  • Programmable FIR filter for equalization
  • 3.8W power consumption
  • Power supplies (1.1V, 1.9V)

Applications

  • Oscilloscopes and wideband digitizers
  • Communications testers (802.11ad, 5G)
  • Electronic warfare (SIGINT, ELINT)
  • Satellite communications (SATCOM)
  • RF-sampling software-defined radio (SDR)
  • Spectrometry

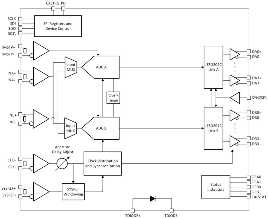
Functional Block Diagram

Block Diagram - Texas Instruments ADC08DJ5200RF 8-Bit Analog-to-Digital Converter
Yayınlandı: 2021-09-28 | Güncellenmiş: 2023-04-21