Texas Instruments ESD562/ESD562-Q1 ESD Protection Diode
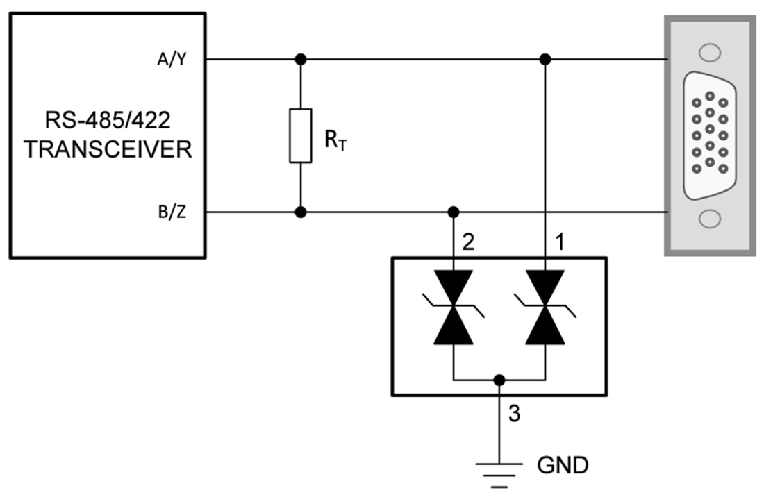
Texas Instruments ESD562/ESD562-Q1 Bi-Directional ESD Protection Diode is for RS-485 and RS-422 interface protection. The ESD562/ESD562-Q1 is rated to dissipate ESD strikes beyond the maximum level specified in the IEC 61000-4-2 international standard (±22kV Contact, ±30kV Air-gap). The device can clamp 8/20µs surges with peak pulse currents up to 3A in accordance with the IEC 61000-4-5 standard.This device features a 1.5pF (typical) IO capacitance, enabling high-speed interface protection. The low clamping voltage in the positive and negative directions helps protect systems against transient events. This protection is critical in industrial systems, which require a high level of robustness and reliability. The Texas Instruments ESD562/ESD562-Q1 is available in a small leaded SOT-23 (DBZ) package. The ESD562-Q1 devices are AEC-Q100 qualified for automotive applications.
Features
- IEC 61000-4-5 surge protection
- 3.5A (8/20µs)
- IEC 61000-4-2 ESD protection
- ±22kV contact discharge
- ±30kV air gap discharge
- 12V working voltage
- IO capacitance
- 1.5pF (typical)
- Bidirectional polarity to support positive and negative voltage swings
- A two-channel device provides complete ESD protection with a single component
- Small, leaded SOT-23 allows low-cost automatic optical inspection (AOI)
Applications
- End equipment
- Factory automation and control
- Building automation
- Grid infrastructure
- HVAC systems
- Security systems
- Interfaces
- RS-485
- RS-422
Typical Application Schematic
Yayınlandı: 2024-04-16
| Güncellenmiş: 2025-05-15
