Texas Instruments ISOW7741DFMEVM Evaluation Module
Texas Instruments ISOW7741DFMEVM Evaluation Module is designed to quickly and easily demonstrate the ISOW774x in a 20-Pin WB SOIC package (Package Code-DFM). The ISOW774x is a quad-channel high-performance, 5000VRMS reinforced digital Isolators with integrated high-efficiency and low-emissions DC-DC converter.Features
- High-performance, 5000VRMS reinforced quad-channel digital isolators with integrated high-efficiency, low-emissions DC-DC converter
- Separate IO and DC/DC supply inputs
- 1.71V to 5.5V Wide supply and level translation range for IO
- High signaling rate of up to 100Mbps
- Isolation barrier life >40 Years
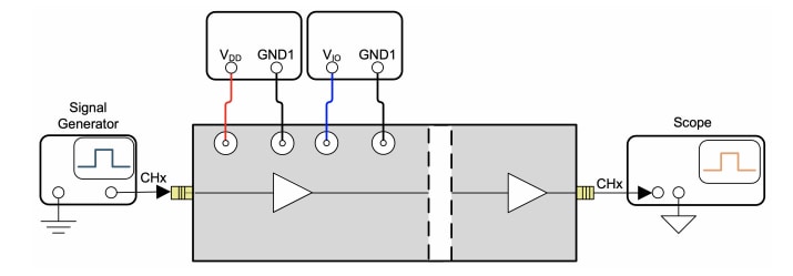
Typical test setup
Layout
Yayınlandı: 2021-01-07
| Güncellenmiş: 2022-08-26
