Texas Instruments LM5149/LM5149-Q1 Buck DC-DC Controller

Texas Instruments LM5149/LM5149-Q1 Synchronous Buck DC-DC Controller is an 80V, ultra-low IQ synchronous buck DC/DC controller for high-current, single-output applications. The controller uses a peak current-mode control architecture for easy loop compensation, fast transient response, and excellent load and line regulation. The LM5149/LM5149-Q1 can be set up in dual-phase mode with accurate current sharing for high-current applications. The device can operate with VIN as low as 3.5V, at nearly 100%, if needed.

The LM5149/LM5149-Q1 has two unique EMI reduction features: an active EMI filter and dual random spread spectrum (DRSS). The active EMI filter senses any noise or ripple voltage on the DC input bus and injects an out-of-phase cancellation signal to reduce the disturbance. DRSS combines low-frequency triangular and high-frequency randomized modulations to mitigate EMI across lower and higher frequency bands. This hybrid technique aligns with the multiple resolution bandwidth (RBW) settings specified in industry-standard EMC tests.

Additional features of the LM5149/LM5149-Q1 include 150°C maximum junction temperature operation, user-selectable diode emulation for lower current consumption at light-load conditions, and open-drain power-good flag for fault reporting and output monitor. It includes a precision enable input, monotonic start-up into a pre-biased load, integrated VCC bias supply regulator and bootstrap diode, internal 3ms soft-start time, and thermal shutdown protection with automatic recovery.

The Texas Instruments LM5149/LM5149-Q1 controller comes in a 3.5mm × 5.5mm thermally enhanced, 24-pin VQFN package with wettable flank pins to facilitate optical inspection during manufacturing. The LM5149-Q1 devices are AEC-Q100 qualified for automotive applications.

Features

  • Functional Safety-Capable
    • Documentation available to aid functional safety system design
  • Two integrated EMI mitigation mechanisms
    • Active EMI Filter for enhanced EMI performance at lower frequencies
    • Selectable dual random spread spectrum (DRSS) for enhanced EMI performance across low and high-frequency bands
    • EMI reduced by an average of 25dBµV
    • Reduces the external differential-mode input filter size by 50% and lowers systems cost
  • Switching frequency from 100kHz to 2.2MHz
    • SYNC in and SYNC out capability
  • Versatile synchronous buck DC/DC controller
    • Wide input voltage range of 3.5V to 80V
    • 1% accurate, fixed 3.3V, 5V, 12V, or adjustable output from 0.8V to 55V
    • 150°C maximum junction temperature
    • 2.3µA shutdown mode current 
    • 9.5µA no-load sleep current 
    • Stackable up to two phases
  • Inherent protection features for robust design
    • Internal hiccup-mode overcurrent protection
    • ENABLE and PGOOD functions
    • VCC, VDDA, and gate-drive UVLO protection
    • Thermal shutdown protection with hysteresis

Applications

  • Automotive electronic systems
  • Infotainment systems, instrument clusters, ADAS
  • Body electronics
  • High-voltage battery-operated systems

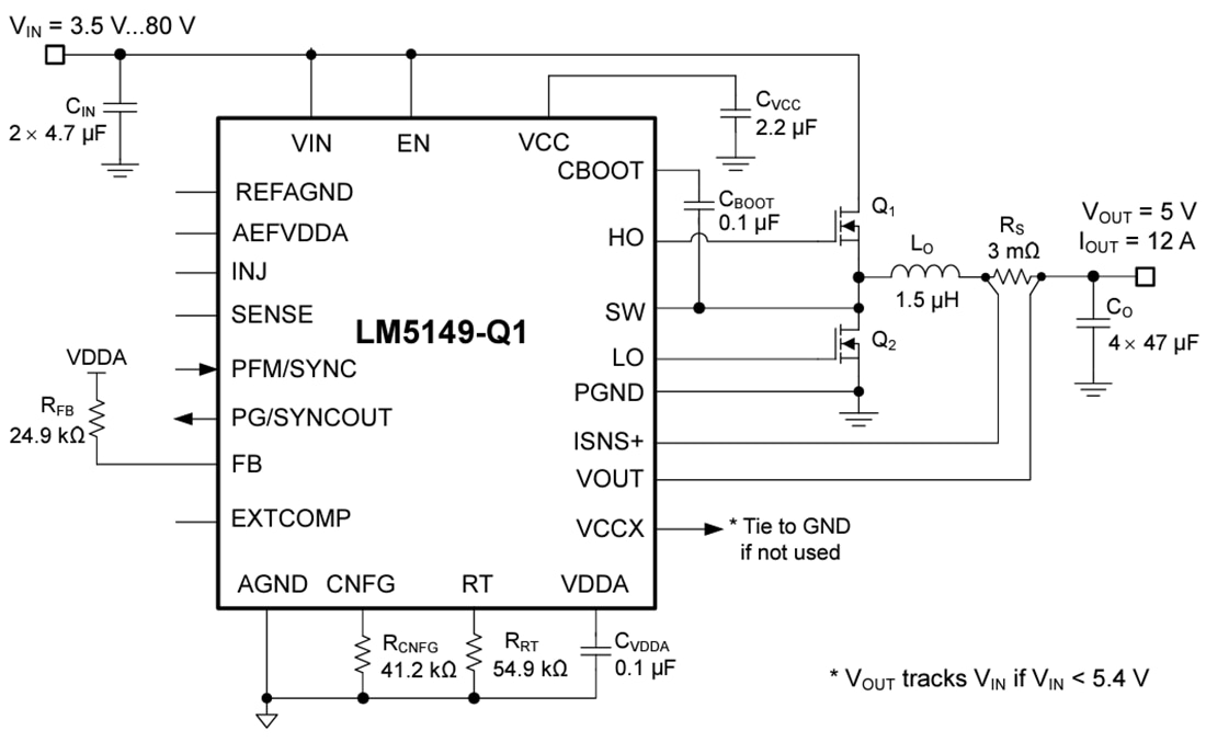
Typical Application Schematic

Schematic - Texas Instruments LM5149/LM5149-Q1  Buck DC-DC Controller
Yayınlandı: 2023-02-17 | Güncellenmiş: 2023-04-05