Texas Instruments LM6172 Voltage Feedback Amplifier
Texas Instruments LM6172 Voltage Feedback Amplifier is a dual high-speed, low power, low distortion, voltage feedback amplifier. It is unity-gain stable and provides excellent DC and AC performance. With 100MHz unity-gain bandwidth, 3000V/μs slew rate, and 50mA of output current per channel, the LM6172 offers high performance in dual amplifiers; yet it only consumes 2.3mA of supply current each channel.The Texas Instruments LM6172 operates on a ±15V power supply for systems requiring large voltage swings, such as ADSL, scanners, and ultrasound equipment. It is also specified at ±5V power supply for low voltage applications such as portable video systems. The LM6172 is built with National's advanced VIP III (Vertically Integrated PNP) complementary bipolar process.
Features
- Available with radiation guarantee
- 300 krad(Si) high dose rate
- ELDRS free (100 krad(Si))
- Easy to use voltage feedback topology
- 3000V/μs high slew rate
- 100MHz wide unity-gain bandwidth
- 2.3mA/amplifier low supply current
- 50mA/amplifier high output current
- Specified for ±15V and ±5V operation
Applications
- Scanner I-to-V converters
- ADSL/HDSL drivers
- Multimedia broadcast systems
- Video amplifiers
- NTSC, PAL®, and SECAM systems
- ADC/DAC buffers
- Pulse amplifiers and peak detectors
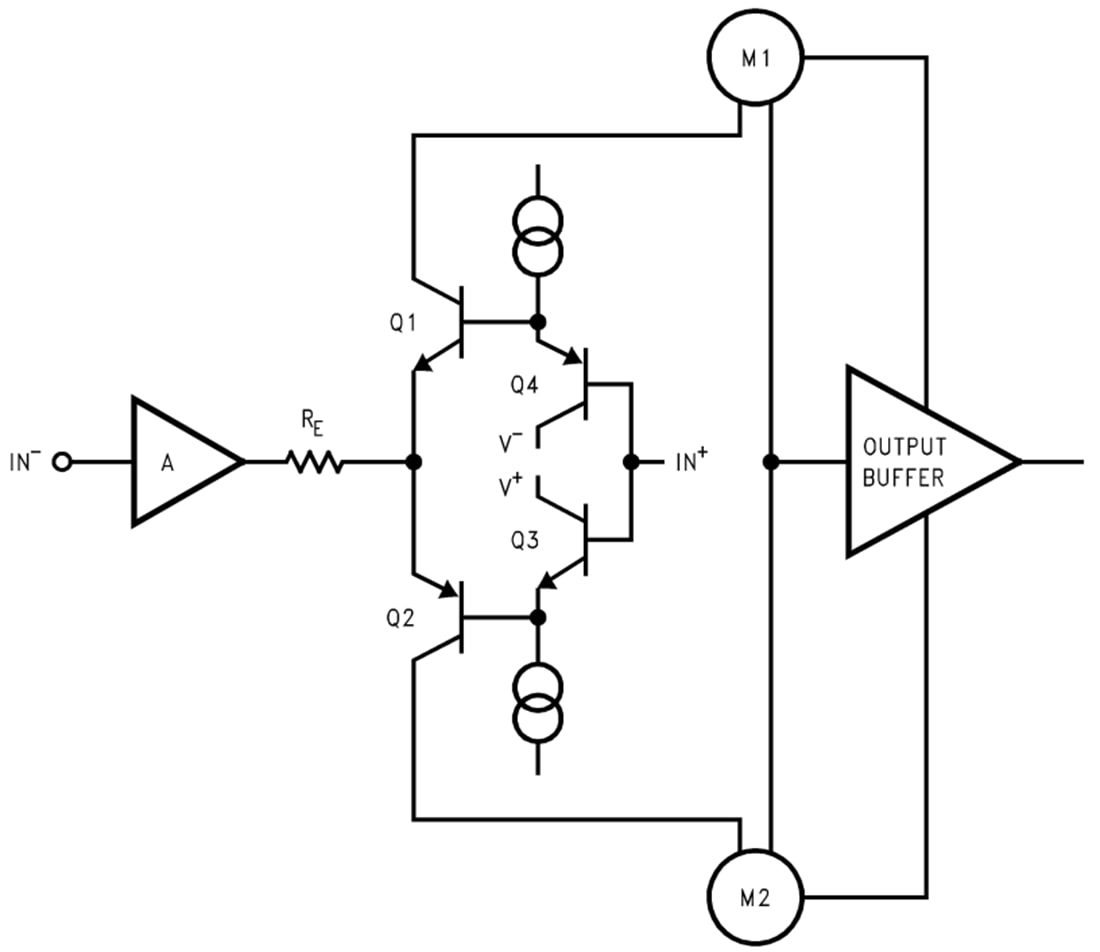
Simplified Schematic
Yayınlandı: 2021-11-29
| Güncellenmiş: 2025-03-06
