Texas Instruments LMR51430 SIMPLE SWITCHER® Buck Converters
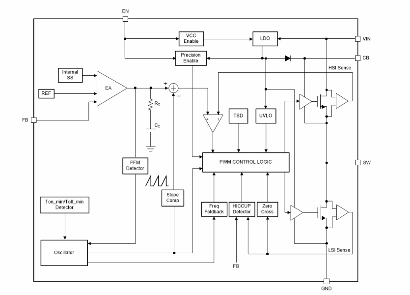
Texas Instruments LMR51430 SIMPLE SWITCHER® Buck Converters are easy-to-use with the capability of driving up to 3A load current. Offering a wide input range of 4.5V to 36V, the LMR51430 is ideal for a comprehensive range of industrial applications for power conditioning from an unregulated source. The 500kHz and 1.1MHz switching frequency on the device support the use of relatively small inductors resulting in an optimized solution size.The TI LMR51430 Buck Converters provide a PFM version to achieve high efficiency at a light load and an FPWM version to attain constant frequency and small output voltage ripple over the entire load range. The device requires minimum external components with soft-start and compensation circuits implemented internally. Additionally, the LMR51430 offers built-in protection features, including cycle-by-cycle current limit, hiccup mode, short-circuit protection, and thermal shutdown in case of excessive power dissipation.
The LMR51430 is housed in a 6-pin SOT-23 package.
Features
- Functional safety-capable
- Documentation available to aid functional safety system design
- Configured for rugged industrial applications
- 4.5V to 36V input voltage range
- 3A continuous output current
- 70ns minimum switching on time
- 500kHz and 1.1MHz fixed switching frequency options
- –40°C to 150°C junction temperature range
- 98% maximum duty cycle
- Start-up with pre-biased output
- Internal short circuit protection with hiccup mode
- ±1.5% tolerance voltage reference
- Precision enable
- Small solution size and ease of use
- Integrated synchronous rectification
- Internal compensation for ease of use
- SOT-23 package
- Pin-to-pin compatible with the TPS54202 and TPS54302
- PFM and forced PWM (FPWM) options are available
- Create a custom design using the LMR51430 with the WEBENCH® Power Designer
Applications
- Appliances
- Building automation
- Motor drives
- General purpose-wide VIN power supplies
Simplified Schematic
Block Diagram
Efficiency vs Output Current
Yayınlandı: 2022-07-25
| Güncellenmiş: 2022-11-17
