Texas Instruments LMX2581 Wideband Frequency Synthesizer
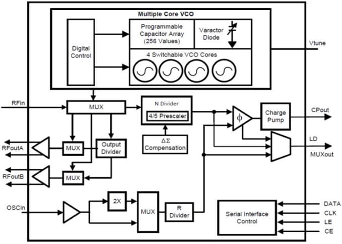
Texas Instruments LMX2581 Wideband Frequency Synthesizer integrates a delta-sigma fractional-N PLL, multiple core VCO, programmable output divider, and two differential output buffers. The VCO frequency range is from 1880 to 3760MHz. They can be sent directly to the output buffers or divided down by even values from 2 to 38. Each buffer is capable of output power from -3 to +12dBm at 2700MHz. Integrated low noise LDOs are used for superior noise immunity and consistent performance. This synthesizer is a highly programmable device and it enables the user to optimize its performance. In the fractional mode, the denominator and the modulator order are programmable and can be configured with dithering as well.Features
- Output frequency from 50 to 3760MHz
- Input clock frequency up to 900MHz
- Phase detector frequency up to 200MHz
- Supports fractional and integer modes
- -229dBc/Hz normalized PLL phase noise
- -120.8dBc/Hz normalized PLL 1/f noise
- -137dBc/Hz VCO phase noise @ 1MHz offset for a 2.5GHz carrier
- 100fs RMS Jitter in integer mode
- Programmable fractional modulator order
- Programmable fractional denominator
- Programmable output power up to +12dBm
- Programmable 32 level charge pump current
- Programmable option to use an external VCO
- Digital lock detect
- 3-Wire serial interface and readback
- Single supply voltage from 3.15V to 3.45V
- Supports logic levels down to 1.6V
Applications
- Wireless infrastructure (UMTS, LTE, WiMax, multi-standard base stations)
- Broadband wireless
- Test and measurement
- Clock generation
Videos
Functional Block Diagram
Yayınlandı: 2015-12-14
| Güncellenmiş: 2022-03-11
