Texas Instruments OPAx186 Precision Operational Amplifier
Texas Instruments OPAx186 Precision Operational Amplifier (Op Amp) is a low-power, 24V, rail-to-rail input and output zero-drift op amp. This amp features only 10µV of offset voltage (max) and 0.04µV/°C of offset voltage drift over temperature (max). This device is excellent for precision instrumentation, signal measurement, and active filtering applications.The low quiescent current consumption of 90µA makes the Texas Instruments OPAx186 an excellent option for power-sensitive applications, such as battery-powered instrumentation and portable systems. Moreover, the high common-mode architecture and low offset voltage allow for high-side current shunt monitoring at the positive rail. This device provides robust ESD protection during shipment, handling, and assembly.
Features
- High precision
- 0.01µV/°C offset drift
- 1µV low offset voltage
- 90µA low quiescent current
- Excellent dynamic performance
- 750kHz gain bandwidth
- 0.35V/µs slew rate
- Robust design
- RFI/EMI filtered inputs
- Rail-to-rail input/output
- 4.5V to 24V supply range
- –40°C to +125°C temperature range
Applications
- PC PSU and game console unit
- Merchant DC/DC
- Flow transmitter
- Pressure transmitter
- Merchant battery charger
- Electricity meter
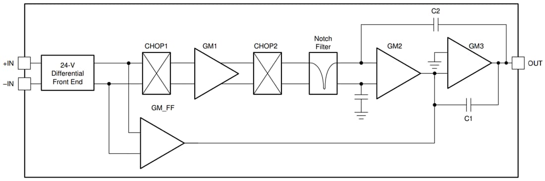
Functional Block Diagram
Yayınlandı: 2022-10-24
| Güncellenmiş: 2024-05-06
