Texas Instruments OPA2392DSBGA-EVM Evaluation Board
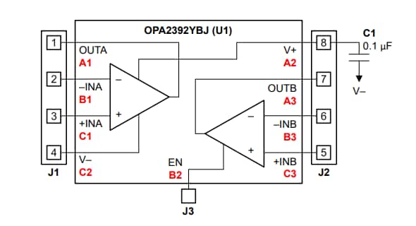
Texas Instruments OPA2392DSBGA-EVM Evaluation Board converts the small, dual DSBGA package into an easy-to-use, standard, dual, 300mil wide, PDIP operational amplifier footprint. The enable (EN) pin, which is not found on a standard PDIP package, is wired to a separate test point and allows for evaluation of the enable function. The TI OPA2392DSBGA-EVM Evaluation Board can be used in a standard, dual-amplifier PDIP socket or as individual connections to each bump on the OPA2392YBJ. A 0.1μF bypass capacitor (C1) is populated to minimize any supply-noise coupling that could impact the device. The OPA2392DSBGA-EVM board has dimensions of 550mil x 600mil.Features
- Converts small, dual DSBGA package into an easy-to-use, standard, dual, 300mil wide, PDIP operational amplifier footprint
- Allows for evaluation of enable function
- 0.1μF bypass capacitor (C1) minimizes supply-noise coupling
- Suitable for use in standard, dual-amplifier PDIP socket or as individual connections to each OPA2392YBJ bump
- 550mil x 600mil dimensions
Schematic
PCB Layout
Yayınlandı: 2022-07-20
| Güncellenmiş: 2025-03-05
