Texas Instruments OPAx310/OPAx310-Q1 Operational Amplifiers
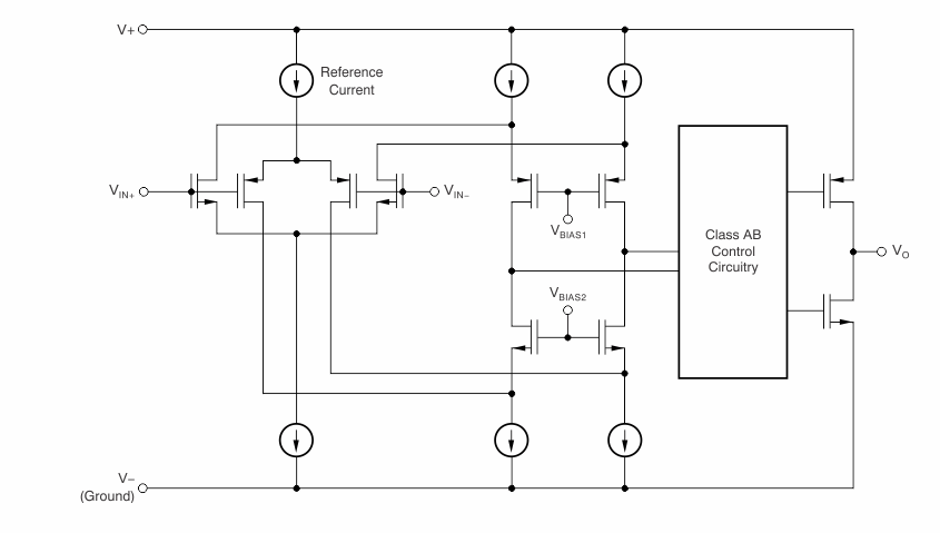
Texas Instruments OPAx310/OPAx310-Q1 Operational Amplifiers are single (OPA310/OPA310-Q1), dual (OPA2310), and quad-channel (OPA4310) amps with a 1.5V to 5.5V low-voltage range. The high output current op-amps feature rail-to-rail input and output swing capabilities. These amps offer a robust ESD performance with a fail-safe input ESD structure where no diodes are connected from inputs to the positive power supply rail. The OPAx310S provides a very fast shutdown response and has a typical enable, disable time of 1µs that allows for power savings when the application involves duty cycling the amplifier signal chain. TI OPAx310/OPAx310-Q1 Operational Amplifiers include internal current limit and thermal shutdown protection in a small, standard power pad package. This allows additional robustness when operating with high output current.These op-amps swing very close to the rails and have a short-circuit current of 75mA minimum across temperature at a 5.5V power supply. Additional output current capability is achieved by carefully connecting multiple op amps in parallel. The OPAx310 simplifies circuit design with a robust design and an integrated RFI and EMI rejection filter with a no-phase reversal in input overdrive conditions. The devices support excellent AC performance with a gain bandwidth of 3MHz and can drive up to 250pF of cap load with no sustained oscillations.
The OPAx310/OPAx310-Q1 op amps are ideal for LED driver, LCD driver, laser driver, and TEC driver applications and can also be used as a reference buffer, guard amplifier, or discrete LDO.
Features
- ±150mA typical ISC at 5.5V High output current
- 1µs Typical fast enable from shutdown and 0.9µs typical (OPAx310-Q1)
- 1.5V to 5.5V Wide operational supply voltage
- ±250µV typical Low input offset voltage
- Fail-safe inputs, no diode from inputs to V+
- 165µA/ch typical Optimized quiescent current
- Rail-to-rail input and output
- 3MHz typical at 5.5V Gain bandwidth
- 16nV/√Hz typical Thermal noise floor
- Unity-gain stable
- Drives up to 250pF without sustained oscillations
- Internal RFI and EMI-filtered input pins
- –40°C to 125°C Operating temperature range
Applications
- Optical modules
- Reference buffers, guard amplifiers
- Microphone pre-amplifiers
- Lighting and LED drivers
- 4mA to 20mA loop drivers
- Programmable current source
- Low-side current sensing circuitry
- AEC-Q100 grade 1 applications
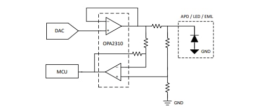
APD/LED/EML Biasing with Current Sense
Block Diagram
