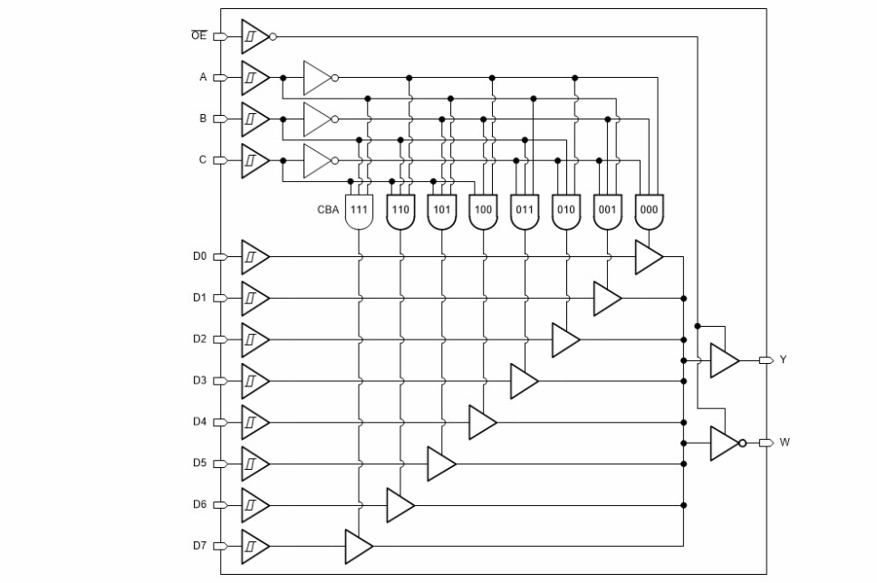
Texas Instruments SN74HCS251/SN74HCS251-Q1 8-to-1 Multiplexers
Texas Instruments SN74HCS251/SN74HCS251-Q1 8-to-1 Multiplexers with 3-State Outputs and Schmitt Trigger Inputs provide the full binary decoding to select 1-of-8 data sources. The TI SN74HCS251/SN74HCS251-Q1 Multiplexer features strobe-controlled complementary 3-state outputs.The SN74HCS251/SN74HCS251-Q1 8-to-1 Multiplexers feature a device temperature of -40°C to +125°C, low power consumption, and a 2V to 6V wide operating voltage range. The Texas Instruments SN74HCS251/SN74HCS251-Q1 8-to-1 Multiplexers are available in the 5.00mm x 4.40mm TSSOP-16 and 9.90mm x 3.90mm SOIC-16 package. The SN74HCS251-Q1 devices are AEC-Q100 qualified for automotive applications.
Features
- 2V to 6V wide operating voltage range
- Schmitt-trigger inputs allow for slow or noisy input signals
- ±7.8mA output drive at 6V
- –40°C to +125°C, TA extended ambient temperature range
- Low power consumption
- Typical ICC of 100nA
- Typical input leakage current of ±100nA
Applications
- Data selection
- Multiplexing
Datasheets
Block Diagram
Benefits of Schmitt-trigger inputs chart
Yayınlandı: 2020-09-16
| Güncellenmiş: 2024-08-21
