Texas Instruments SN74LVC595A Shift Register
Texas Instruments SN74LVC595A Shift Register is an 8-bit serial-in, parallel-out shift register that feeds an 8-bit D-type storage register. This storage register features parallel 3-state outputs and independent clocks for both shift and storage registers. The SN74LVC595A register operates at a 1.1V to 3.6V supply voltage range and -65°C to 150°C junction temperature range. This shift register is ideal for network switches, power infrastructures, LED displays, and servers.
Features
- 1.1V to 3.6V junction operating range
- Over-voltage tolerant inputs support up to 5.5V independent of VCC
- Supports partial-power-down with back drive protection (Ioff)
- -65°C to 150°C junction temperature range
- High push-pull output drive strength:
- ±24mA at 3.3V
- ±8mA at 2.3V
- ±4mA at 1.65V
- Latch-up performance exceeds 250mA per JESD78
Applications
- Network switches
- Power infrastructures
- LED displays
- Servers
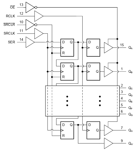
Logic Block Diagram
Application Block Diagram
Yayınlandı: 2026-01-14
| Güncellenmiş: 2026-01-29
