Texas Instruments THVD1428 5V RS-485 Transceiver
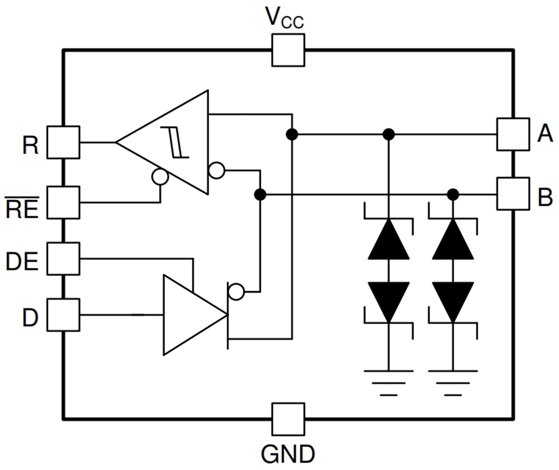
Texas Instruments THVD1428 5V RS-485 Transceiver is a half-duplex RS-485 transceiver with integrated surge protection. Surge protection is achieved by integrating transient voltage suppressor (TVS) diodes in the standard 8-pin SOIC (D) package. This feature substantially increases reliability for better immunity to noise transients coupled to the data cable, eliminating the need for external protection components. This device operates from a single 3.3V or 5V supply and features a wide common-mode voltage range, which makes it suitable for multi-point applications over long cable runs. The device is available in the industry-standard SOIC package for easy drop-in without PCB changes. The Texas Instruments THVD1428 is characterized over ambient free-air temperatures from –40°C to 125°C.Features
- Meets or exceeds the requirements of the TIA/EIA-485A standard
- 3V to 5.5V supply voltage
- Bus I/O protection
- ±16kV HBM ESD
- ±4kV IEC 61000-4-2 Contact discharge
- ±8kV IEC 61000-4-2 Air-gap discharge
- ±4kV IEC 61000-4-4 Electrical fast transient
- ±3kV IEC 61000-4-5 1.2/50µs surge
- Supports 20Mbps
- -40°C to 125°C extended ambient temperature range
- ±12V extended operational common-mode range
- 30mV receiver hysteresis for noise rejection
- Low power consumption
- < 2µA standby supply current
- < 3mA current during operation
- Glitch-free power-up/down for hot plug-in capability
- Open, short, and idle bus fail-safe
- 1/8 Unit load (Up to 256 bus nodes)
- Industry-standard 8-Pin SOIC for drop-in compatibility
Applications
- Wireless infrastructure
- Building automation
- HVAC systems
- Factory automation and control
- Grid infrastructure
- Smart meters
- Process analytics
- Video surveillance
Functional Block Diagram
Yayınlandı: 2020-06-04
| Güncellenmiş: 2024-06-25
