Texas Instruments TLV62095 High-Efficiency Step-Down Converter
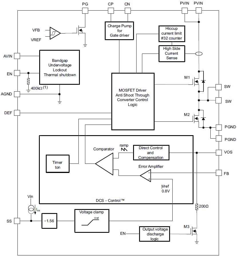
Texas Instruments TLV62095 High-Efficiency Step-Down Converter is a high frequency synchronous step-down converter optimized for small solution size and high efficiency. These features make this converter ideal for battery-powered applications. The converter operates in PWM mode with a nominal switching frequency of 1.4MHz to maximize efficiency. The device automatically enters Power Save Mode operation at light load currents. When used in distributed power supplies and point of load regulation, the device allows voltage tracking to other voltage rails. The Texas Instruments TLV62095 also tolerates output capacitors ranging from 10µF to 150µF and beyond. By using the DCS-Control™ topology, the device achieves excellent load transient performance and accurate output voltage regulation.Features
- 2.5V to 5.5V input voltage range
- DCS-Control™
- Up to 95% efficiency
- Power save mode
- 20µA operating quiescent current
- 100% duty cycle for lowest dropout
- 1.4MHz typical switching frequency
- 0.8V to VIN adjustable output voltage
- Output discharge function
- Adjustable soft startup
- Hiccup short circuit protection
- Output voltage tracking
- Pin-to-pin compatible with TLV62090 and TPS62095
- For an improved feature set, see TPS62095
Applications
- TV, STB, computers
- Solid State Drives (SSD)
- Hard Disk Drives (HDD)
- Battery-powered applications
Functional Block Diagram
Yayınlandı: 2016-05-31
| Güncellenmiş: 2022-03-11
