Texas Instruments TLV62595 Step-Down Converter
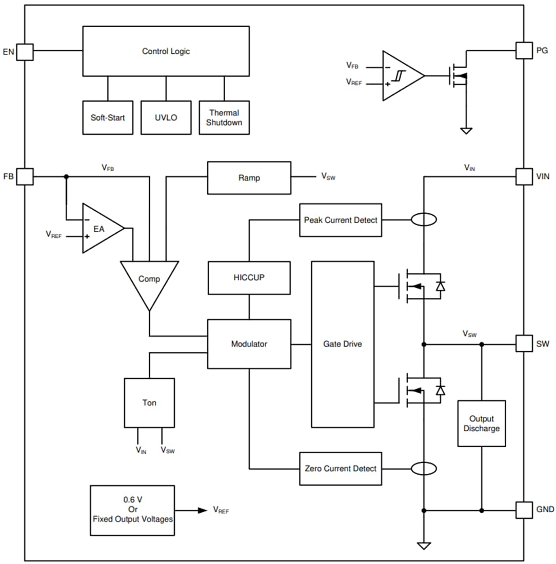
Texas Instruments TLV62595 Step-Down Converter is a high-frequency synchronous step-down converter optimized for compact solution size and high efficiency. The device integrates switches capable of delivering an output current up to 4A. At medium to heavy loads, the converter operates in pulse width modulation (PWM) mode with a typical 2.2MHz switching frequency. At light load, the device automatically enters Power Save Mode (PSM) to maintain high efficiency over the entire load current range with a quiescent current as low as 10µA.Based on the DCS Control topology, it provides a fast transient response. The internal reference regulates the output voltage down to 0.6V with a high feedback voltage accuracy of 1% over the junction temperature range of –40°C to 125°C. The entire solution requires a small 470nH inductor, a single 4.7µF input capacitor, and three 10µF or single 47µF output capacitors. The Texas Instruments TLV62595 is available in a 6-pin 1.5mm x 1.5mm QFN package, offering a high power density solution.
Features
- Up to 97% efficiency
- Low RDS(ON) power switches 26mΩ / 25Ω
- 2.5V to 5.5V input voltage range
- Adjustable output voltage from 0.6V to 4V
- 1% feedback voltage accuracy (full temperature range)
- DCS-control topology
- Power save mode for light load efficiency
- 100% duty cycle for lowest dropout
- 10µA operating quiescent current
- 2.2MHz typical switching frequency
- Short circuit protection (HICCUP)
- Active output discharge
- Power good output
- Thermal shutdown protection
Applications
- Solid-state drive
- Portable electronics
- IP network camera
- Industrial PC
- Multifunction printers
Functional Block Diagram
Yayınlandı: 2021-02-23
| Güncellenmiş: 2022-03-11
