Texas Instruments TMP1827EVM Evaluation Module (EVM)
Texas Instruments TMP1827EVM Evaluation Module (EVM) is designed to evaluate the TMP1827 temperature sensor. This TMP1827 is a high-accuracy single-wire compatible digital-output temperature sensor with an integrated Secure Hash Algorithm (SHA). The TMP1827 sensor provides a high accuracy of ±0.3°C across the temperature range of -55°C to 150°C. The TMP1827EVM evaluation module comes in a USB stick form factor, with an onboard MSP430F5528 microcontroller that interfaces with both the host computer and the TMP1827 device using a single wire interface. This module is designed with perforations between the sensor and host controller on the evaluation board.Features
- Evaluates the TMP1827 temperature sensor
- USB stick form factor
- Integrates MSP430F5528 microcontroller
- Perforation between the USB controller board and the TMP1827 sensor board
Additional Resources
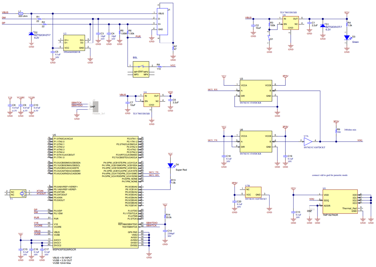
Schematic
Yayınlandı: 2023-02-09
| Güncellenmiş: 2023-10-30
