Texas Instruments TPS254900A-Q1 Automotive USB Host Chargers

Texas Instruments TPS254900A-Q1 Automotive USB Host Chargers offer a Short-to-Battery Protection feature on the OUT, DM_IN and DP_IN pins that withstand up to 18V. During the Short-to-Battery Protection feature, the internal MOSFET turns off quickly to protect the upstream DC-DC converter, processor, or hub data lines.

The power switch facilitates a low UVLO of 3.5V and does not turn off during the start-stop function. Two selectable, adjustable current limits are on the available 45mΩ power switch, thus supporting port power management by changing to a lower current limit when adjacent ports experience heavy loads. This option is essential in supporting systems with limited capacity upstream power supplies and multiple ports. An additional feature of the device is a current-sense output that can control an upstream supply and a current monitor. The current monitor feature allows the load current to be observed in real-time by monitoring the IMON voltage. The Texas Instruments TPS254900A-Q1 devices are AEC-Q100 qualified for automotive applications.

Features

  • Qualified for automotive applications
  • AEC-Q100 qualified with the following results
    • Device Temperature Grade 1 (–40°C to +125°C ambient operating temperature range)
    • Device HBM ESD Classification Level H2
    • Device CDM ESD Classification Level C5
  • 4.5V to 6.5V input operating range
  • Integrated 45mΩ (typ.) high-side MOSFET
  • 3.2A maximum continuous output current
  • VBUS ±5% cable compensation accuracy at the connector
  • 3.5V (typ.) UVLO to support start-stop
  • Supports USB BC 1.2 CDP and SDP modes
  • Short-to-battery protection on OUT, DP_IN, and DM_IN pins
  • DP_IN and DM_IN IEC 61000-4-2 rated
    • ±8kV contact and ±15kV air discharge
  • 20-pin QFN (3mm × 4mm) package

Applications

  • Automotive USB charging ports (host and hubs)
  • Automotive USB protection

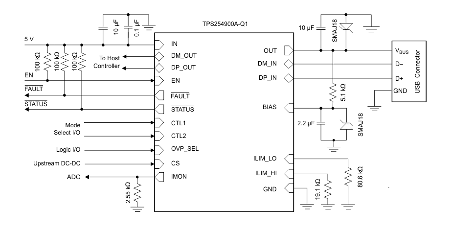
Block Diagram

Block Diagram - Texas Instruments TPS254900A-Q1 Automotive USB Host Chargers
Yayınlandı: 2018-06-28 | Güncellenmiş: 2025-03-05