Texas Instruments TPS56339 Buck Converters
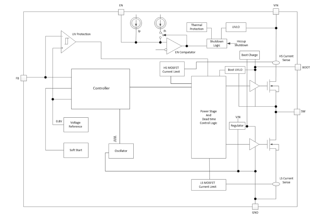
Texas Instruments TPS56339 Buck Converters include two integrated switching MOSFETs, internal loop compensation, and 5ms internal soft-start to reduce component count. The TPS56339 achieves high power density in a SOT-23 (6) package and offers a small footprint on the PCB. The Texas Instruments TPS56339 uses Advanced Emulated Current Mode (AECM) control, allowing a fast transient response with a fixed frequency.External compensation over a wide voltage output range is eliminated by utilizing the internal adaptive loop adjustment. Cycle-by-cycle current limit on the high side protects the device in current overload conditions. This feature is enhanced by a low-side sourcing current limit, which prevents current runaway. Undervoltage and thermal shutdown protections will trigger hiccup protection.
Features
- 4.5V to 24V input voltage range
- 0.8V to 16V output voltage range
- 3A maximum continuous output current
- Fixed 500kHz switching frequency
- Support up to 97% duty cycle
- Integrated 70mΩ and 35mΩ MOSFETs
- Typical 3µA shutdown current
- Typical 98µA quiescent current
- Internal 5ms soft-start
- Internal loop compensation for ease of use
- The cycle-by-cycle current limit for both high-side and low-side MOSFETs
- Non-latched UVP, UVLO, and TSD protections
- SOT-23 (6) package
Applications
- 12V, 19V distributed power-bus supply
- Industrial applications
- Video surveillance and security systems
- Appliance
- Consumer application
- Digital TV and LCD monitors
- Wireless and intelligent speakers
Functional Diagram
Yayınlandı: 2019-08-01
| Güncellenmiş: 2023-10-13
