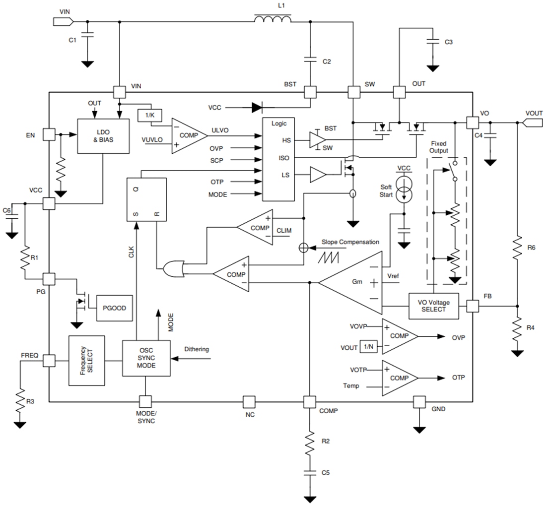
Texas Instruments TPS61379-Q1 Synchronous Boost Converter
Texas Instruments TPS61379-Q1 Synchronous Boost Converter is a fully integrated synchronous boost converter with load disconnect function integrated. The input voltage covers 2.3V to 14V, while the maximal output voltage is up to 18.5V. The switching current limit is 2A typical. It consumes a 25µA quiescent current from VIN.The TPS61379-Q1 employs the peak current mode control with the switching frequency programmable from 200kHz to 2.2MHz. The device works in fixed-frequency PWM operation in medium to heavy load. There are two optional modes in light load by configuring the MODE pin: auto PFM mode and forced PWM to balance the efficiency and noise immunity in light load. The switching frequency can be synchronized to an external clock. The TPS61379-Q1 uses the spread spectrum of the internal clock to be more EMI friendly at FPWM mode. In addition, there is an internal soft-start time to limit the inrush current.
The Texas Instruments TPS61379-Q1 has various fixed output voltage versions to save the external feedback resistor. It supports the external loop compensation so that the stability and transient response can be optimized at wider VOUT/VIN ranges. It also integrates robust protection features including, output short protection, output overvoltage protection, and thermal shutdown protection. The TPS61379-Q1 is available in a 3mm × 3mm 16-pin QFN package with a wettable flank.
Features
- AEC-Q100 qualified for automotive applications
- –40°C to 125°C ambient operating temperature grade 1
- Function Safety-Capable
- Documentation available to aid functional safety system design
- Flexible input and output operation range
- 2.3V to 14V input voltage range
- 4.0V to 18.5V programmable output voltage range
- 5V, 5.25V, 5.5V fixed output options
- Fixed 2A peak current limit
- Avoid AM band interference and crosstalk
- 200kHz to 2.2MHz dynamically programmable switching frequency
- Spread spectrum frequency modulation
- Optional clock synchronization
- Minimize solution size for space constraint applications
- Integrated LS/HS/ISO FET (RDS(ON) 50mΩ/50mΩ/100mΩ)
- Support up to 2.2MHz with small L-C
- Minimized light load and idle state current consumption
- 25µA quiescent current into VIN pin
- 0.5µA shutdown current into VIN pin
- Selectable auto PFM and forced PWM mode
- True load disconnect during shutdown or fault conditions
- Integrated protection features
- Support VIN close to VOUT operation
- Input undervoltage lockout and output overvoltage protection
- Hiccup output short circuit protection
- Power good indicator
- Thermal shutdown protection at 165°C
- Higher than 90% efficiency under 0.25A load from 3.3V to 9V conversion
Applications
- Advanced driver-assistance system (ADAS)
- Automotive infotainment and cluster
- Body electronics and lighting
- Emergency call (eCall)
Functional Block Diagram
