Texas Instruments TPS65313-Q1 High-Voltage Power Management IC
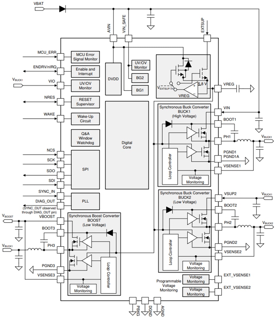
Texas Instruments TPS65313-Q1 High-Voltage Power Management IC (PMIC) meets the requirements of MCU-controlled or DSP-controlled automotive, industrial, machinery, or transportation systems. With the integration of commonly used features, the device helps reduce board space and system cost. The device includes one wide-VIN synchronous buck regulator (BUCK1) combined with one low-voltage (LV) buck regulator (BUCK2) and one boost converter (BOOST), which are powered from the wide-VIN buck regulator (BUCK1). Texas Instruments TPS65313-Q1 features a low quiescent current in the OFF state to reduce current consumption in case the system is permanently connected to the supply. All outputs are protected against overvoltage, overload, and overtemperature conditions.Features
- AEC-Q100 qualified for automotive applications
- -40°C to +125°C, TA device temp grade 1
- Supports system-level functional safety requirements up to ASIL-C (ISO 26262) and SIL-2 (IEC 61508)
- Synchronous buck pre-regulator (BUCK1)
- Input voltage range from 4V to 36V
- Output currents up to 3.1A
- 3.3V or 3.6V factory-selectable output voltages
- Synchronous buck regulator (BUCK2)
- 3.3V or 3.6V fixed input voltages
- Output currents up to 2A
- 1.2V, 1.25V, 1.8V, or 2.3V factory-selectable output voltages
- Synchronous boost converter (BOOST)
- Fixed input voltage of 3.3V or 3.6V
- Output currents up to 600mA
- Output voltage of 5V
- Phase-locked loop (PLL)
- Output frequency around 2.2MHz
- Supports modulated or unmodulated external clock at SYNC_IN pin
- For all regulators
- Soft-start feature
- Independent voltage monitoring with diagnostics
- Overcurrent, overload, overvoltage, undervoltage, and thermal protection
- Internal loop compensation
- Integrated adaptively randomized spread spectrum (ARSS) modulation for regulator switching clock
- 3µA quiescent current in the OFF state
- SPI for control and diagnostics
- Two general-purpose external-voltage monitors
- Integrated Q&A watchdog and reset supervisor for MCU or DSP
- Thermally enhanced 40-pin VQFNP package with 0.5mm pitch
Applications
- Automotive radar and camera applications
- Automotive sensor fusion applications
- Industrial radar applications
- Building and factory automation applications
Functional Block Diagram
Yayınlandı: 2020-05-20
| Güncellenmiş: 2025-03-06
