Texas Instruments UCD7100 Low-Side MOSFET Driver
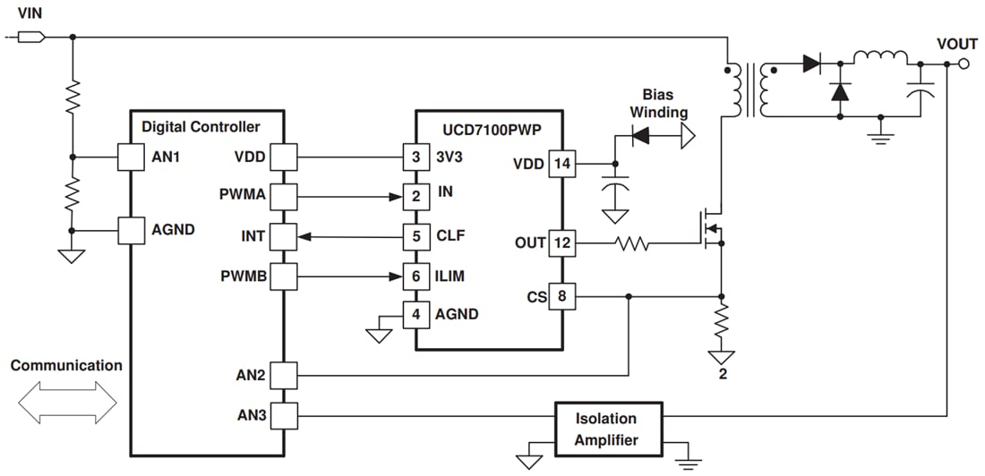
Texas Instruments UCD7100 Low-Side MOSFET Driver is a digital control compatible driver for applications that use digital control technology that requires fast local peak current limit protection. The UCD7100 is a low-side ±4A high-current MOSFET gate driver. It allows the digital power controllers such as UCD9110 or UCD9501 to interface to the power stage in single-ended topologies. The Texas Instruments UCD7100 provides a cycle-by-cycle current limit function with a programmable threshold and a digital output current limit flag that the host controller can monitor. With a fast 25ns cycle-by-cycle current limit protection, the driver can turn off the power stage in the unlikely event that the digital system does not respond to a failure situation in time.Features
- Adjustable current limit protection
- 3.3V, 10mA internal regulator
- DSP/µC compatible inputs
- Single ±4A TrueDrive™high current driver
- 10ns typical rise and fall times with 2.2nF loads
- 25ns input-to-output propagation delay
- 25ns current sense to output delay
- Programmable current limit threshold
- Digital output current limit flag
- 4.5V to 15V supply voltage range
- Rated from –40°C to 105°C
- Lead(Pb)-free packaging
Applications
- Digitally controlled power supplies
- DC/DC converters
- Motor controllers
- Line drivers
Simplified Schematic
Yayınlandı: 2022-02-01
| Güncellenmiş: 2022-03-11
