Vishay Semiconductors VCNL36825T-SB Sensor Board
Vishay Semiconductors VCNL36825T-SB Sensor Board features Vishay’s advanced VCNL36825T proximity sensor, offering exceptional precision in optical distance detection and ambient light measurement. This compact sensor board is ideal for both standalone use and integration into the SensorXplorer™ demonstration platform. The VCNL36825T-SB provides users with a rich feature set, including optical proximity sensing, ambient light measurement, interrupt control, and I2C communication. This sensor board is ideal for rapid prototyping and integration into space-sensitive, precision-oriented designs.Features
- Utilizes the VCNL36825T chip, incorporating a vertical-cavity surface-emitting laser (VCSEL) and photodiodes, supporting programmable interrupts and I2C communication for reliable distance and light-level detection
- Compatible with SensorXplorer’s USB‑to‑I2C interface, with ready-to-use software modules to evaluate sensor performance and configuration via GUI-based tools
- Allows seamless PC connectivity for data capture, configurable via SensorXplorer software to explore performance under different settings
- Standalone use available
Applications
- True Wireless Stereo (TWS) earphones
- Smartphones and mobile devices
- Handheld devices
- Industrial
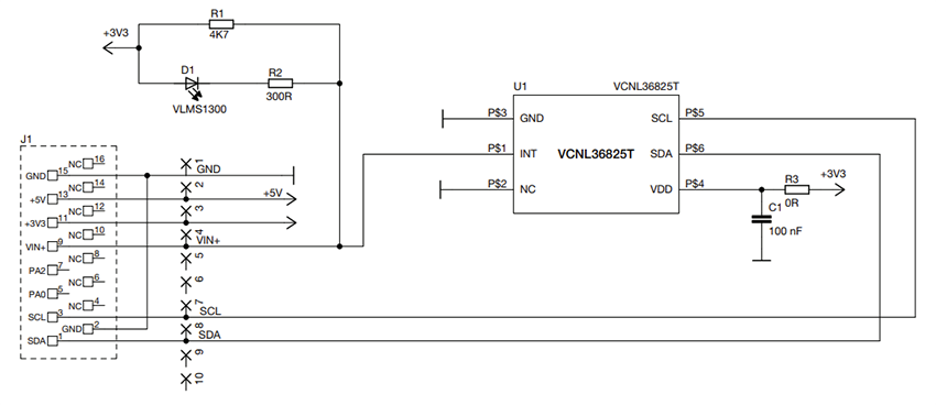
Schematic
Yayınlandı: 2025-10-28
| Güncellenmiş: 2025-11-03
