Analog Devices Inc. LT8253/LT8253A USB Type-C™ Buck-Boost Controllers
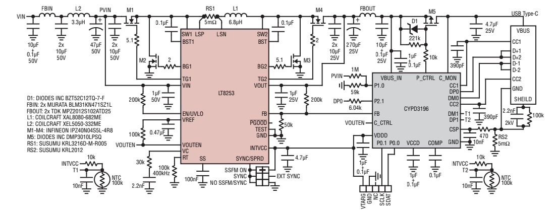
Analog Devices Inc. LT8253 and LT8253A USB Type-C™ Buck-Boost Controllers offer synchronous 4-switch power-optimized for automotive USB-C power delivery. The controllers comply with the USB Power Delivery (PD) specification when used in conjunction with a USB Type-C or PD port controller.The ADI LT8253 and LT8253A USB Type-C Buck-Boost Controllers can control the output voltage slew rate through the FB pin. The LT8253 delivers up to 100W output power with 98% peak efficiency when running below the AM band. Meanwhile, the LT8253A provides up to 60W output power with 95% peak efficiency when running above the AM band.
The LT8253 and LT8253A enable a single buck-boost output for 1 Type-C port with a power good flag. The devices support over-current, overvoltage, and short-circuit protections.
Features
- Proprietary low-EMI buck-boost architecture
- Wide input range of 4V to 40V
- Synchronous switching up to 98% efficiency
- ±1.5% Output voltage regulation
- Single output supports 1 Type-C port up to 100W
- Output channel enable function
- Programmable switching frequency with external synchronization and spread spectrum
- Over-current, over-voltage, short-circuit protection
- Available in 28-lead side solderable QFN package
- AEC-Q100 Qualification in progress
Applications
- Automotive USB-C power delivery
- General purpose voltage regulator
Typical Application
Block Diagram
Yayınlandı: 2022-03-29
| Güncellenmiş: 2022-07-05
