Apex Microtechnology SA60 Low Cost Complete H-Bridge PWM Amplifier
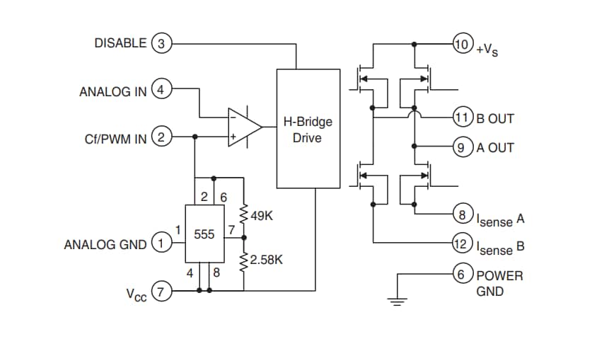
Apex Microtechnology SA60 Low-Cost Complete H-Bridge PWM Amplifier can supply 10A of continuous current to a load. The Apex Microtechnology SA60 is a full-bridge amplifier operated over various supply voltages. All the drive/control circuitry for the low- and high-side switches are internal to the hybrid. The PWM circuitry is internal and only needs an analog signal for the motor speed/direction or an audio signal for switch mode audio amplification. The internal PWM frequency can be programmed by an external integrator capacitor. An external TTL-compatible PWM signal for simultaneous amplitude and direction control for four-quadrant mode can be provided.Features
- Low-cost complete H-bridge
- Self-contained smart low-side/high-side drive circuitry
- Wide supply range up to 80V
- 10A continuous output
- Isolated case allows direct heatsinking
- Four-quadrant operation, torque control capability
- Internal/programmable PWM frequency generation
Applications
- Brush type motor control
- Class D switch mode amplifier
- Reactive loads
- Magnetic coils (MRI)
- Active magnetic bearing
- Vibration cancelling
Videos
Overview
Yayınlandı: 2020-08-21
| Güncellenmiş: 2024-04-05
