Renesas Electronics Drug Delivery System with ISO12207 Software
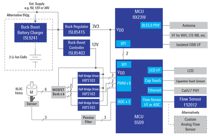
Renesas Electronics Drug Delivery System with ISO12207 Software is used for devices like infusion pumps or insulin pumps where exact dosing is crucial. This drug delivery system requires a three-phase Brushless DC (BLDC) motor with a few watts. For flow sensing, a factory-calibrated sensor or custom sensors may be used. The Drug Delivery System also requires Bluetooth® communication to provide an up-to-date GUI via smartphone and additional interfaces like Ethernet or a (medical-grade) isolated USB.Features
- Supports infusion pump and insulin pumps
- Motor control for BLDC motors or Permanent Magnet Synchronous Motors (PMSM) with analog or hall sensors/encoders, optional gear (also with high gear ratio)
- Flow measurement options:
- Integrated sensor or MCU-integrated Analog Front-End (AFE) for custom sensor setup
- Communication:
- Bluetooth® 5, Wi-Fi, Ethernet (e.g. for infusion pumps), and multiple serial interfaces for optional LTE-NB and isolated USB I/F
- HMI:
- LCD (for infusion pump) and touch and/or gesture control, also for sterile environment
- Battery management (e.g. optional 2x Li-ion cell for uninterrupted power supply)
- Synergy software package follows ISO/IEC/IEEE 12207 standards
System Block Diagram
Yayınlandı: 2020-05-18
| Güncellenmiş: 2022-03-10
