Texas Instruments bq25872 Battery Switch Charger
Texas Instruments bq25872 Battery Switch Charger is a 7A battery switch charger with an integrated 10-bit ADC. The high-current battery switch charger is a 13mΩ MOSFET with reverse current blocking designed for high efficiency and minimal voltage drop. The high charge current capability of the device makes it ideal for smartphones, tablets, and other portable devices with large battery capacity. The integrated 10-bit ADC can measure input voltage and current, battery voltage and current, as well as battery temperature and input connector temperature. This allows the user application to continuously monitor the power input and battery charging parameters to ensure the safety of the battery charging. The flexible OVP and OCP thresholds for VBUS, VOUT, and battery can be modified via I2C registers as the battery goes through constant current (CC) and constant voltage (CV) mode.Features
- 3V to 14V adapter input voltage range
- Allows up to 14V adaptor voltage
- Highly integrated 7A battery switch
- Integrated MOSFETs and current sensing
- Low RDS(on) (13mΩ) MOSFETs for a high current operation
- Integrated high accuracy ADC for the system monitor
- VBUS, VBAT, VOUT, VDROP voltage
- Input and battery current
- Battery and VBUS connector Temperature
- Linear regulation (LDO) mode operation
- Four linear regulation loops: IBUS, IBAT, VBAT, and VOUT
- Programmable linear regulation thresholds
- Programmable safety protections
- VBUS, VOUT, and VBAT Over Voltage Protection (OVP)
- IBUS and IBAT Over Current Protection (OCP)
- IBUS Reverse Current Protection (RCP)
- VDROP (VBUS-VOUT) OVP
- VBUS connector and battery thermal protection
- Thermal shutdown
- Interrupt status output for host processor alert
- Up To 1MHz I2C read and write speed
- Low battery leakage current in battery-only mode
- WCSP package for small footprint
Applications
- Smartphone
- Tablet PC
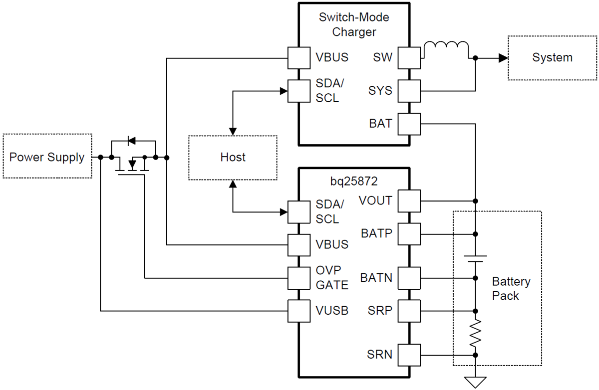
Simplified Schematic
Yayınlandı: 2017-05-05
| Güncellenmiş: 2022-04-29
